Запчасти Case 50 (E07) - TRACK BRAKES (48) - TRACKS & TRACK SUSPENSION

Схема запчастей Case 50 - (E07) - TRACK BRAKES (48) - TRACKS & TRACK SUSPENSION
FIT
1:1
100%

Артикул

Название

Примечание

Количество

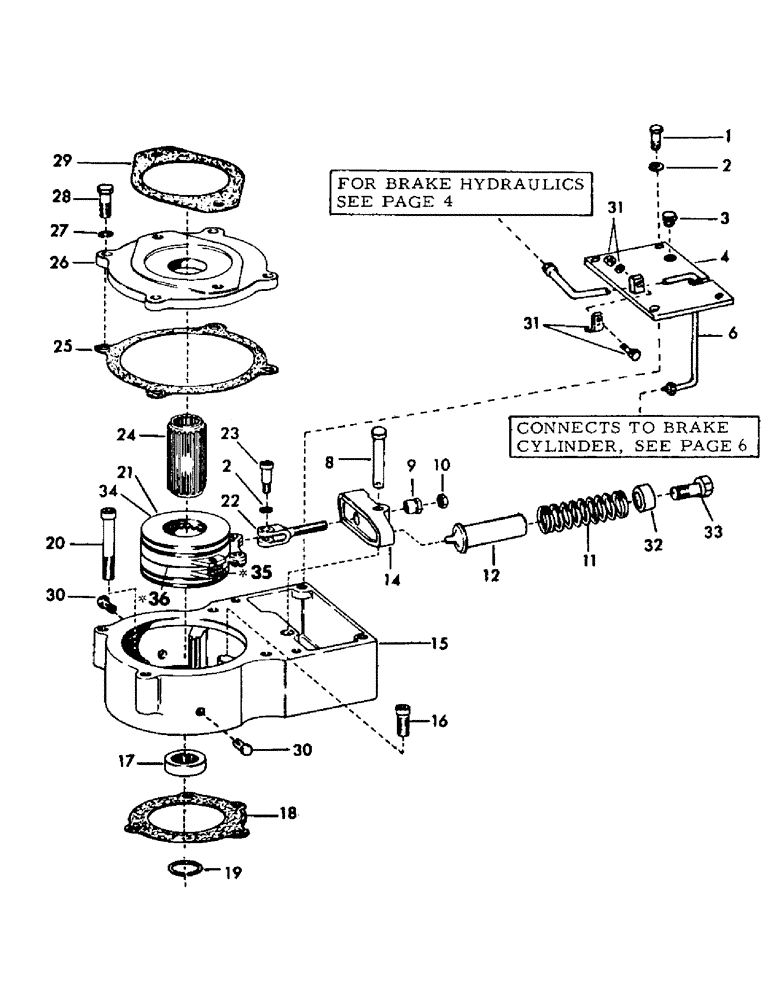
57641M1

BRAKE, track drive - complete (Consists of Refs. 1 thru 34) (Right and left hand)

2шт.

1

2400

LAMP

CPSW - 3/8" x 3/4" NC grade 5

4шт.

Part of track drive brake P/N 57641M1

1шт.

2

4397

LOCKWASHER - 3/8"

5шт.

Part of track drive brake P/N 57641M1

1шт.

3

65007

CARBURETOR

PLUG, 5/8" SAE

1шт.

Part of track drive brake P/N 57641M1

1шт.

4

210312

COVER

1шт.

Part of track drive brake P/N 57641M1

1шт.

6

210281

LINE, hydraulic - includes grommet

1шт.

Part of track drive brake P/N 57641M1

1шт.

8

61970

PIN, clevis - 1/2" x 2.516" grip length

1шт.

Part of track drive brake P/N 57641M1

1шт.

9

64911

NUT, ball - seat

1шт.

Part of track drive brake P/N 57641M1

1шт.

10

4243

SPRING COMPRESSOR

NUT, jam - 3/8" NF

1шт.

Part of track drive brake P/N 57641M1

1шт.

11

210158

SPRING

1шт.

Part of track drive brake P/N 57641M1

1шт.

12

209803

STOP, spring

1шт.

Part of track drive brake P/N 57641M1

1шт.

14

203385

LEVER

1шт.

Part of track drive brake P/N 57641M1

1шт.

15

57642

SPARE PART

HOUSING, brake - right and left hand

1шт.

Part of track drive brake P/N 57641M1

1шт.

16

S89476

CPSW, nylock - grade 8

1шт.

Change in listing.

1шт.

Part of track drive brake P/N 57641M1

1шт.

17

65001

BOLT,Spcl

SEAL, oil

1шт.

Part of track drive brake P/N 57641M1

1шт.

18

80305

BOLT

GASKET, brake housing

1шт.

Part of track drive brake P/N 57641M1

1шт.

19

60206

HEAD

RING, retainer

1шт.

Part of track drive brake P/N 57641M1

1шт.

20

12276

CPSW, self locking - 1/2" x 3" NC grade 8

1шт.

Part of track drive brake P/N 57641M1

1шт.

21

207618M1

BRAKE ASSEMBLY - (Includes Ref. 34 thru 36)

1шт.

Part of track drive brake P/N 57641M1

1шт.

22

65002

YOKE, plain

1шт.

Part of track drive brake P/N 57641M1

1шт.

23

66646

BOLT, shoulder

1шт.

Part of track drive brake P/N 57641M1

1шт.

24

208430M1

COUPLING, splined

1шт.

Part of track drive brake P/N 57641M1

1шт.

25

203386

GASKET, cover

1шт.

Part of track drive brake P/N 57641M1

1шт.

26

38006

COVER AND MOUNTING FLANGE

1шт.

Part of track drive brake P/N 57641M1

1шт.

27

4399

WASHER

LOCKWASHER - 1/2"

4шт.

Part of track drive brake P/N 57641M1

1шт.

28

2466

ENGINE

CPSW - 1/2" x 1-1/4" NC grade 5

4шт.

Part of track drive brake P/N 57641M1

1шт.

29

203387

GASKET, mounting flange

1шт.

Part of track drive brake P/N 57641M1

1шт.

30

79912

RIVET - for drain hole in housing

2шт.

Part of track drive brake P/N 57641M1

1шт.

31

75868

SPARE PART

CLAMP

1шт.

Part of track drive brake P/N 57641M1

1шт.

2350

STOP

CPSW - 1/4" x 3/4" NC grade 5

1шт.

Part of track drive brake P/N 57641M1

1шт.

4395

WASHER

LOCKWASHER - 1/4"

1шт.

Part of track drive brake P/N 57641M1

1шт.

4220

TOOL

NUT - 1/4" NC

1шт.

Part of track drive brake P/N 57641M1

1шт.

32

80879

FILTER

SPACER

1шт.

Part of track drive brake P/N 57641M1

1шт.

33

2351

LAMP

CPSW - 1/4" x 1" NC grade 5

1шт.

Part of track drive brake P/N 57641M1

1шт.

34

81615M1

DISC, brake

2шт.

Change in listing

1шт.

Part of brake assembly P/N 81615M1

1шт.

Part of track drive brake P/N 57641M1

1шт.

35

S68705

SPRING

1шт.

Added listing.

1шт.

Part of brake assembly P/N 81615M1

1шт.

36

S68703

BALL

- (Between Ref. 21)

1шт.

Added listing.

1шт.

Part of brake assembly P/N 81615M1

1шт.

Выбрано товаров: 78