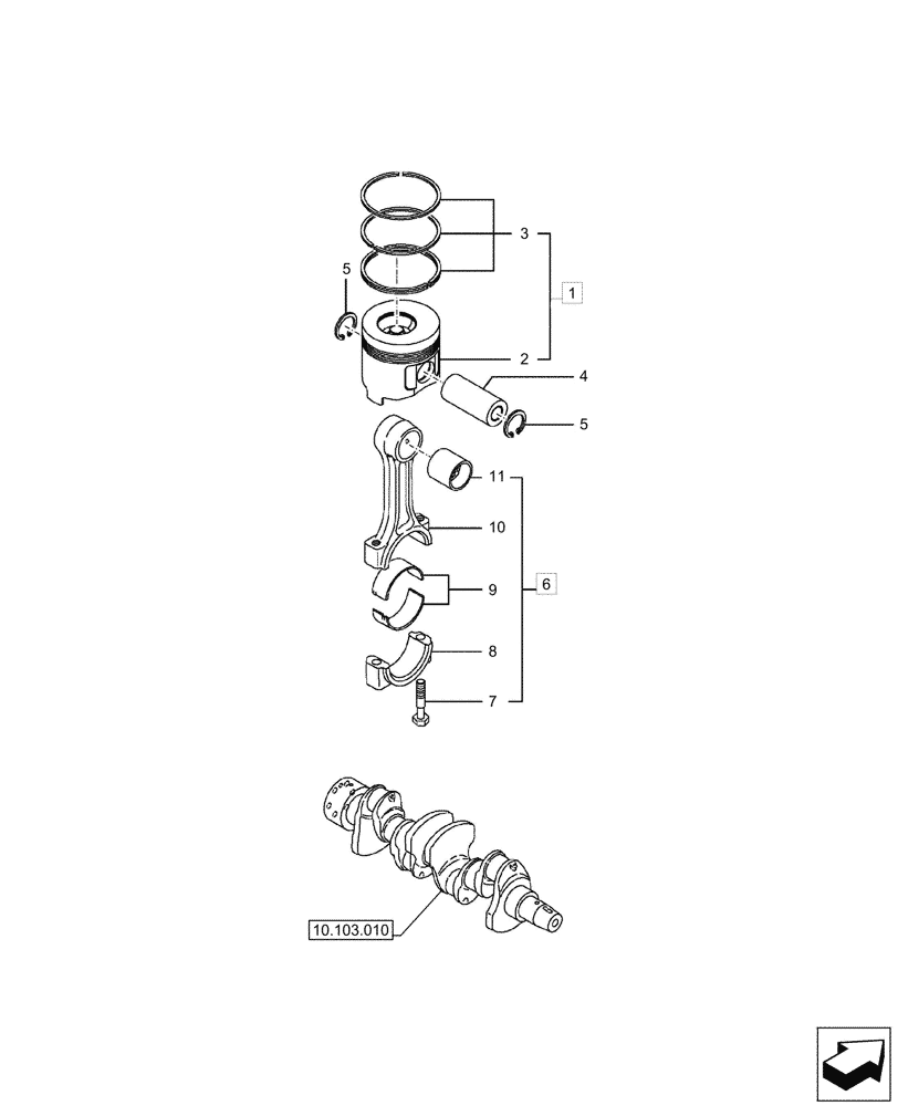
Запчасти Case CX60C (10.105.010) - CONNECTING ROD & PISTON (10) - ENGINE

Схема запчастей Case CX60C - (10.105.010) - CONNECTING ROD & PISTON (10) - ENGINE
8
7
1
6
2
10
5
3
5
4
9
10.103.010
11
FIT
1:1
100%

Артикул

Название

Примечание

Количество

1

XJAU-01307

PISTON

STD Set, ASSY, Incl 2, 3

4шт.

1

XJAU-01309

PISTON

+0.25mm Set, ASSY, Incl 2, 3

4шт.

2

NSS

NOT SOLD SEPARAT

Piston, Incl in 1

4шт.

3

XJAU-01308

PISTON RING

STD Set

4шт.

3

XJAU-01310

PISTON RING

+0.25mm Set

4шт.

4

XJAU-00141

PISTON

4шт.

5

XJAU-00142

CIRCLIP

8шт.

6

XJAU-00491

PISTON ROD

ASSY, Incl 7 - 11

4шт.

7

XJAU-00145

BOLT

8шт.

8

NSS

NOT SOLD SEPARAT

Lower Connecting Rod, Incl in 6

4шт.

9

XJAU-00886

BEARING SET

STD Set

4шт.

9

XJAU-00887

BEARING ASSY

+0.25mm Set

4шт.

10

NSS

NOT SOLD SEPARAT

Connecting Rod, Incl in 6

4шт.

11

XJAU-00492

BUSHING

4шт.

Выбрано товаров: 14