Запчасти Doosan Daewoo SENSOR ENGINE PARTS

360
330
350
90
340
80
70
60
50
10
90
80
70
60
50
10
300
320
310
300
410
210
400
420
250
270
410
400
FIT
1:1
100%

Артикул

Название

Примечание

Количество

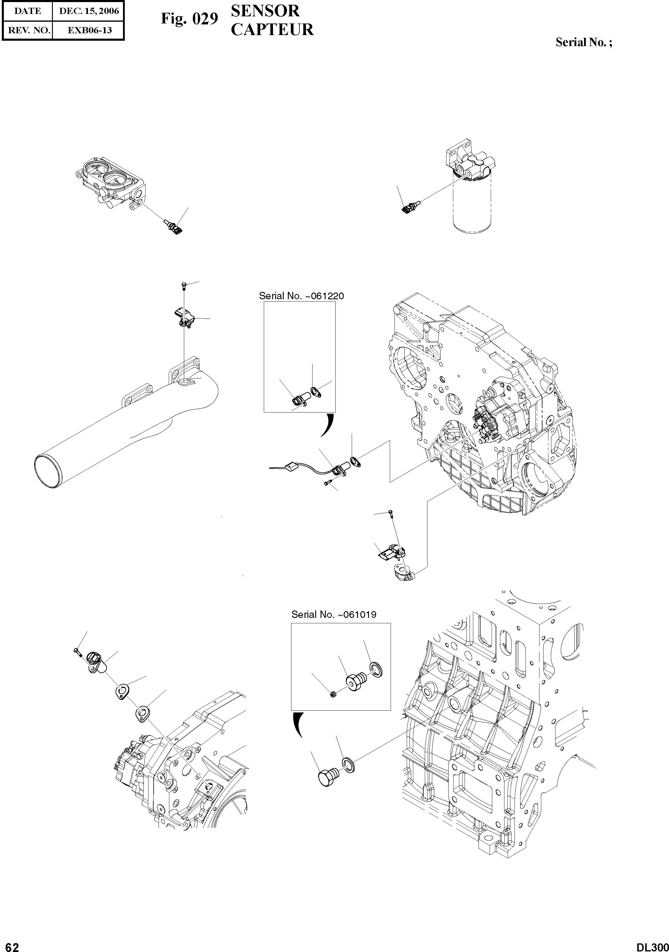
10

65.27103-7008

SENSOR

SERIAL: 061220

1шт.

10

65.27103-7014

SENSOR

SERIAL: 061221

1шт.

50

65.11308-8003

SPACER;INJECTION PUMP

desc: BAGUE D'ECARTEMENT

1шт.

60

65.11308-0005

SPACER;INJECTION PUMP

SC: R

1шт.

70

65.11308-0006

SPACER;INJECTION PUMP

SC: R

1шт.

80

65.11308-0007

SPACER;INJECTION PUMP

SC: R

1шт.

90

65.11308-0008

SPACER;INJECTION PUMP

SC: R

1шт.

210

65.27103-7008

SENSOR

desc: CAPTEUR

1шт.

250

65.11308-8003

SPACER;INJECTION PUMP

desc: BAGUE D'ECARTEMENT

1шт.

270

65.91701-0229A

SPACER

desc: BAGUE D'ECARTEMENT

1шт.

300

06.01923-2915

BOLT ASS'Y M6X25

desc: BOULON A 6 PANS

2шт.

310

65.27427-7001

SENSOR;OIL PRESSURE & TEMP

desc: CAPTEUR

1шт.

320

06.01923-2913

BOLT ASS'Y M6X20

desc: BOULON A 6 PANS

2шт.

330

65.27423-7003

SENSOR;WATERTEMPERATURE

desc: CAPTEUR

1шт.

340

65.27444-7001

SENSOR

desc: CAPTEUR

1шт.

350

06.01923-2912

BOLT ASS'Y M6X18

desc: BOULON A 6 PANS

1шт.

360

65.27423-7003

SENSOR;WATER TEMPERATURE

desc: CAPTEUR

1шт.

400

65.98130-0170

ADAPTER

SERIAL: 061019

1шт.

400

65.98130-0132

ADAPTER

SERIAL: 061020

1шт.

410

06.56190-0718

RING;SEAL

desc: BAGUE

1шт.

420

65.90320-0022

PLUG;SCREW PT1/8

SERIAL: 061019

1шт.

Выбрано товаров: 21