Запчасти Doosan Daewoo RADIATOR BODY PARTS

2-2
2-1
2-2
2
2-1
11
10
9
10
11
33
9
32
35
36
33
34
33
35
13
39
10
35
14
38
10
12
35
37
35
FIT
1:1
100%

Артикул

Название

Примечание

Количество

-

2201-4015

ENGINE ASS'Y

desc: ENSEMBLE MOTEUR

1шт.

2

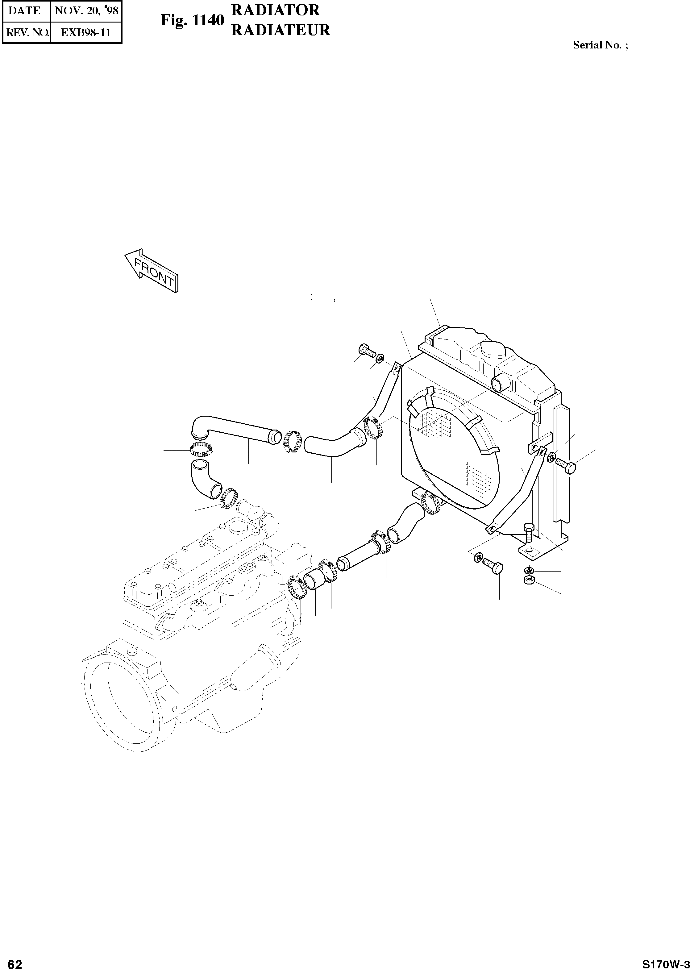
2202-9021

RADIATOR

SERIAL: 1-416

1шт.

2

2202-9021A

RADIATOR ASS'Y

SERIAL: 417

1шт.

2-1

2202-9021-01

RADIATOR

desc: . RADIATEUR

1шт.

2-2

2202-9021-02

OIL COOLER

desc: . REFROIDISSEUR D'HUILE

1шт.

9

2145-1104B

STAY

desc: ENTRETOISE

2шт.

10

S5102901

WASHER;SPRING M16

desc: RONDELLE ELASTIQUE

8шт.

11

S0521351

BOLT M16X2.0X35

desc: BOULON A 6 PANS

2шт.

12

S0521051

BOLT M16X2.0X25

desc: BOULON A 6 PANS

2шт.

13

S0521451

BOLT M16X2.0X40

desc: BOULON A 6 PANS

4шт.

14

S4012933

NUT M16X2.0

desc: ECROU

4шт.

32

2182-4001A

PIPE;WATER

desc: CONDUITE D'EAU

1шт.

33

S8450035

CLAMP;HOSE

desc: COLLIER

3шт.

34

2184-4006

HOSE;WATER

desc: TUYAU D'EAU

1шт.

35

S8450044

CLAMP;HOSE

desc: COLLIER

5шт.

36

2185-1110

HOSE;WATER

desc: TUYAU D'EAU

1шт.

37

2184-4008A

HOSE;WATER

desc: TUYAU D'EAU

1шт.

38

2182-1241

PIPE;WATER

desc: CONDUITE D'EAU

1шт.

39

2184-4009

HOSE;WATER

desc: TUYAU D'EAU

1шт.

Выбрано товаров: 19