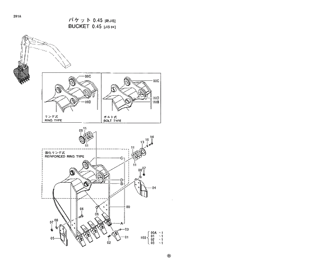
Запчасти Hitachi EX120-5 391 BUCKET 0.45 (JIS94) 03 FRONT END ATTACHMENTS

Схема запчастей Hitachi EX120-5 - 391 BUCKET 0.45 (JIS94) 03 FRONT END ATTACHMENTS
FIT
1:1
100%

Артикул

Название

Примечание

Количество

9150685

BUCKET ASS'Y

1шт.

9185960

BUCKET ASS'Y

1шт.

9202104

BUCKET ASS'Y

1шт.

00

8065932

* BUCKET

1шт.

00

8078346

* BUCKET

1шт.

00

8084354

* BUCKET

1шт.

00A

4339520

** ADAPTER;TOOTH

5шт.

00A

4425500

** ADAPTER;TOOTH

5шт.

00B

4197033

** STOPPER

2шт.

00B

4434951

** STOPPER

2шт.

00B

4454562

** STOPPER

2шт.

00C

4276151

** BOSS

3шт.

00C

4276151

** BOSS

2шт.

00D

4437279

** BOSS

1шт.

01

963228

* POINT;TOOTH

5шт.

02

963229

* PIN;LOCK

5шт.

03

963227

* RUBBER;LOCK

5шт.

04

2015428

* CUTTER;SIDE

1шт.

05

2015429

* CUTTER;SIDE

1шт.

06

J932060

* BOLT

8шт.

07

J951020

* NUT

8шт.

08

A590920

* WASHER;SPRING

8шт.

09

4276384

* BOSS

1шт.

09

4445244

* BOSS

1шт.

11

4276386

* SHIM 1.0

12шт.

13

4276385

* PLATE

1шт.

14

J901275

* BOLT

3шт.

15

A590912

* WASHER;SPRING

3шт.

100

9153139

KIT;POINT

5шт.

100

9200912

KIT;POINT

5шт.

Выбрано товаров: 30