Качественные детали и логистика
Оригинальные и аналоговые запчасти с доставкой по России, Казахстану и Беларуси
©2022 PartSell ООО "Система" ИНН 2463123282 ОГРН 1212400004838
Центральный офис: г. Красноярск, Академика Киренского, д.87, пом.4
Телефон: 8 (800) 777-65-74 Email: zakaz@partsell.ru
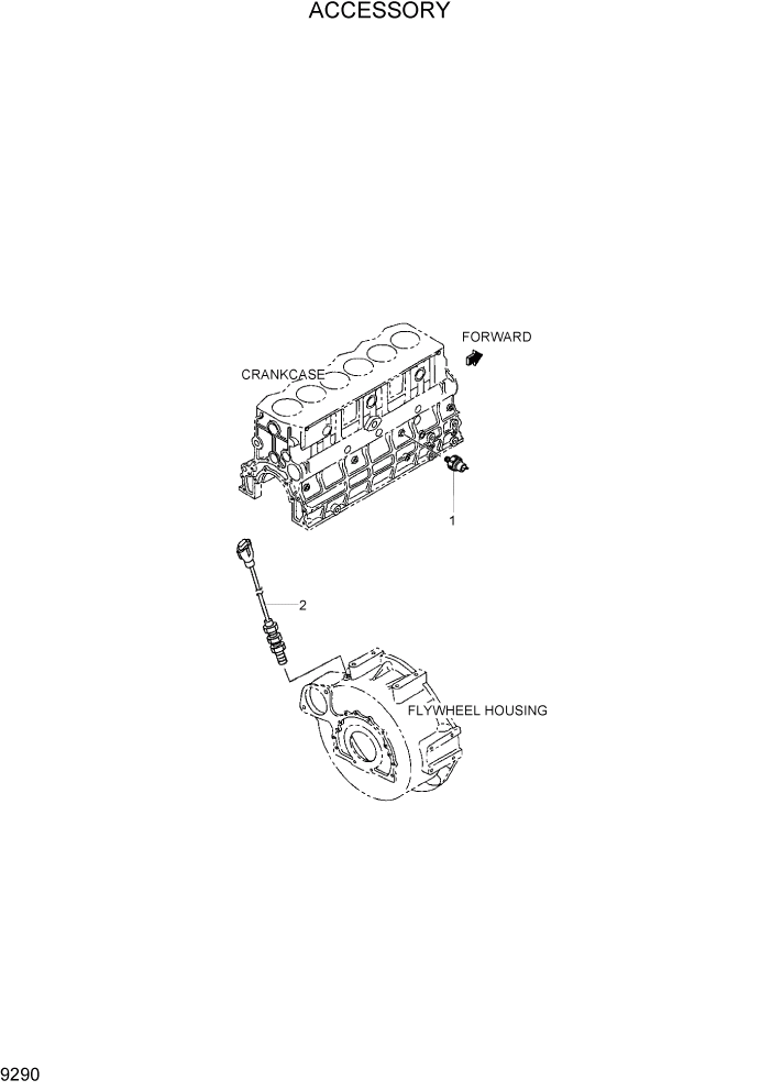
PAGE 9290 ACCESSORY
№
Артикул
Название
Примечание
Количество
1
MC840219
SWITCH-OIL PRESSURE
1шт.
2
32A90-05500
PICK-UP
Выбрано товаров: 2