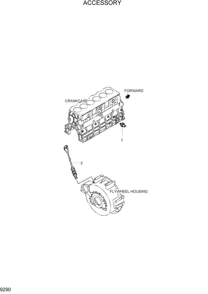
32A90-05500 Датчик, XJAF-00265, 32a90-05500
Наличие 32A90-05500 на складах, цены и сроки отгрузки
Артикул
Название
Производитель
Код
Город отгрузки
Срок отгрузки
Наличие
Стоимость
32a90-05500
Датчик, XJAF-00265, 32a90-05500
140
Красноярск
2-3дня
5 шт.
по запросу
Показать больше
Информация, указанная на сайте, не является публичной офертой, носит справочно-информационный характер, может быть изменена в любое время без предварительного уведомления. Для получения актуальной информации о наличии, стоимости, сроков поставки товаров обращайтесь по адресу zakaz@partsell.ru
Заказать расчет, стоимость и сроки поставки 32A90-05500
Применимость запчасти
Всего используется в 3 узлов, посмотреть полную применимостьПрименяется в спецтехнике
- Hyundai
- Экскаваторы 3/7/9 серии
Варианты написания артикула
- 32a9005500
- 32A90-05500
Похожие запчасти
- 0015451809 Датчик включения блокировки
- 161-8979 Датчик 161-8979 214-4862 266-1477
- 0281006241 ДАТЧИК ДАВЛЕНИЯ, 0281006241
- 0281002706 0281002706 bosch датчик высокого давления CR ALFA ROMEO/FIAT/FORD/IVECO/LANCI
- 232-06-52410 Датчик
- 6261-81-6900 4954905 Датчик температуры воды
- 8981566480 Датчик температуры охлаждающей жидкости
- 4371318 Датчик температуры охлаждающей жидкости аварийный (п�
- 42567283 ДАТЧИК ДАВЛЕНИЯ, 5260246, 0281006112, 0281002851
- 600-311-3722 Датчик 600-311-3680 600-311-3720 600-311-3721 600-311-3681
- 5260246 Датчик рампы Cummins 6ISBe 5260246 3974092 5297641 0281000425 0281006364
- 7861-93-1812 Датчик 7861-93-1810 7861-93-1811
- 206-06-61130 Датчик
- 4890189 Датчик положения коленвала Cummins 6ISBe,ISDe 4890189 4330303 0281002410
- 4436535 Датчик давления, GB-410, LB-A4016, шт
- 6754-72-1210 Датчик 6754-72-1211 6754-72-1212
- nd499000-6160 Датчик давления топива ND499000-6141
- 332-c9990 Датчик положения (Аналог) 332/C9990
- 2848a071 Датчик давления масла Perkins 2848A071
- 445120236 ФОРСУНКА COMMON RAIL BOSCH