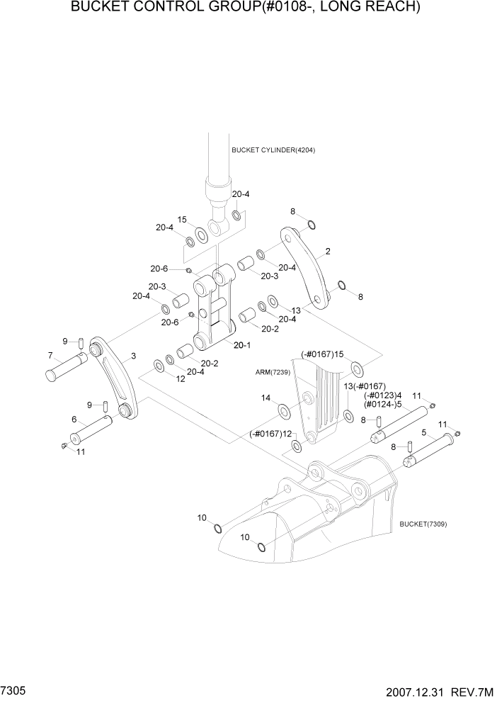
Запчасти Hyundai R305LC7 PAGE 7305 BUCKET CONTROL GROUP(#0108-, LONG REACH) РАБОЧЕЕ ОБОРУДОВАНИЕ

Схема запчастей Hyundai R305LC7 - PAGE 7305 BUCKET CONTROL GROUP(#0108-, LONG REACH) РАБОЧЕЕ ОБОРУДОВАНИЕ
FIT
1:1
100%

Артикул

Название

Примечание

Количество

2

61N6-42101

CONTROL LINK-RH

#0363

1шт.

2

61N6-42101BG

CONTROL LINK-RH

#0364

1шт.

3

61N6-42111

CONTROL LINK-LH

#0363

1шт.

3

61N6-42111BG

CONTROL LINK-LH

#0364

1шт.

4

61E3-11081

PIN-ATTACH

#0123

1шт.

5

61E3-12061

PIN

#0123

1шт.

5

61E3-12061

PIN

#0124

2шт.

6

61N4-11090

PIN-ATTACH

#0206

1шт.

6

61N4-11091

PIN

#0207

1шт.

7

61N4-11130

PIN

1шт.

8

E161-3052

O-RING

4шт.

9

61E3-1190

PIN-STOP

4шт.

10

61E3-1191

SPRING-LOCK

4шт.

11

S651-810002

NIPPLE-GREASE

3шт.

12

S391-065110

SHIM-ROUND(1.0T)

#0123

1шт.

12

S391-065110

SHIM-ROUND(1.0T)

#0124 - #0167

2шт.

13

S392-065110

SHIM-ROUND(2.0T)

#0123

1шт.

13

S392-065110

SHIM-ROUND(2.0T)

#0124 - #0167

2шт.

14

S391-065120

SHIM-ROUND(1.0T)

2шт.

15

S392-065120

SHIM-ROUND(2.0T)

#0167

2шт.

20

61N6-42010

CONTROL ROD ASSY

#0363

1шт.

20

61N6-42010BG

CONTROL ROD ASSY

#0364

1шт.

20-1

61N6-42020

CONTROL ROD WA

#0363

1шт.

20-1

61N6-42020BG

CONTROL ROD WA

#0364

1шт.

20-2

X124-652070

BUSHING

2шт.

20-3

X114-652072

BUSHING

2шт.

20-4

S700-065206

DUST SEAL-DKIY TYPE

4шт.

20-6

S651-810002

NIPPLE-GREASE

3шт.

Выбрано товаров: 0