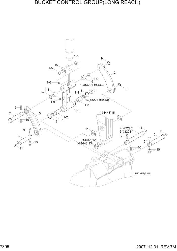
61N4-11090 Палец
Заказать расчет, стоимость и сроки поставки 61N4-11090
Применяется в спецтехнике
- Hyundai
- Экскаваторы 3/7/9 серии
Варианты написания артикула
- 61n411090
- 61N4-11090
Категории товара
Похожие запчасти
- 61n4-40020 Рычаги трапеции (комплект 61N4-40020+61N4-40030), 61N4-40020, 61N4-40030
- 61n4-40030 Рычаги трапеции (комплект 61N4-40020+61N4-40030), 61N4-40020, 61N4-40030
- 61n4-31320 Адаптер Hyundai 61N4-31320/61N4-31200
- 61n8-11091 Палец Hyundai 61N8-11091
- 61n4-31210 Коронка, шт
- 087-5805 0875805 Палец
- 207-70-14151 Коронка ковша
- 09244-02516 Палец коронки
- 09244-02508 Палец коронки
- 3088577 Палец ковш-рукоять ZХ-200, ZX200-3
- ec210 Палец Volvo EC210, ковш-рукоять
- 61n4-31200 Адаптер 61N4-31200 (40mm
- 1u3302 Коронка ковша
- 4995266- Поршень дв. Cummins ISF 2,8 4995266
- 2713-1217 Коронка общеземельная Daewoo/Doosan DH/DX210-225-255 2713-1217/ 713-00024/ K100
- 1u3352 Коронка, шт
- 205-70-73270 Палец 22U-70-11672
- 9w8452 Коронка ковша 9W8452 3
- 4955642 Поршень (в сборе +0.5мм) Cummins 6ISBe 4955642
- 61n8-31310 Коронка