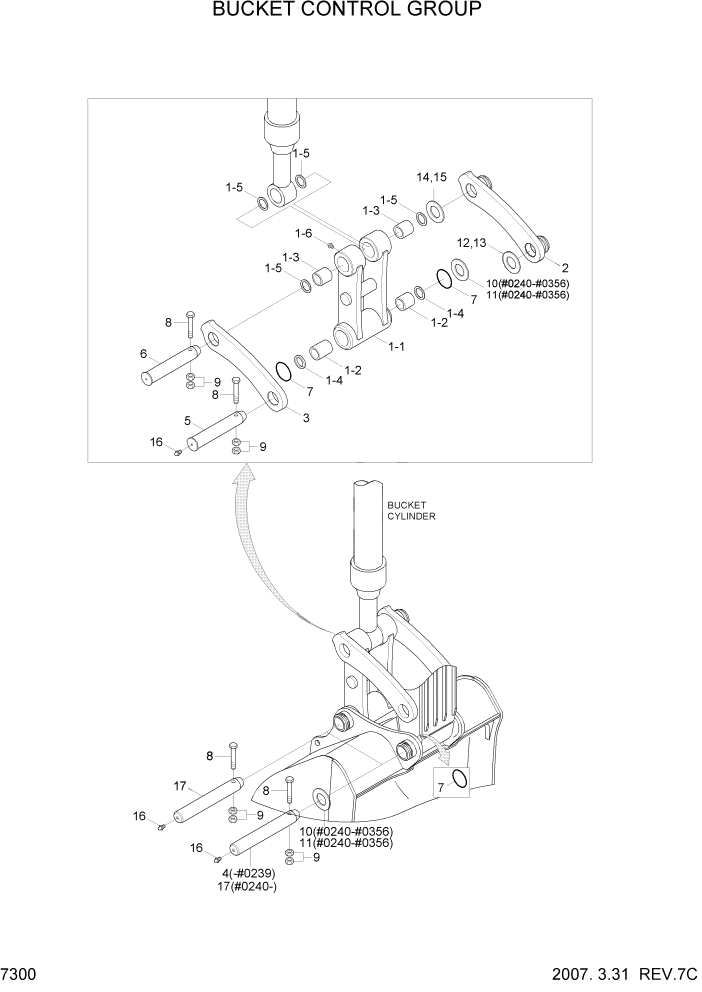
Запчасти Hyundai R140W7 PAGE 7300 BUCKET CONTROL GROUP РАБОЧЕЕ ОБОРУДОВАНИЕ

Схема запчастей Hyundai R140W7 - PAGE 7300 BUCKET CONTROL GROUP РАБОЧЕЕ ОБОРУДОВАНИЕ
FIT
1:1
100%

Артикул

Название

Примечание

Количество

1

61N4-40011

CONTROL ROD ASSY

1шт.

1-1

61N4-40101

CONTROL ROD WA

1шт.

1-2

61EN-13300

BUSHING

2шт.

1-3

61E6-1128

BUSHING

2шт.

1-4

S700-065206

DUST SEAL-DKIY TYPE

2шт.

1-5

S700-070206

SEAL-DUST

4шт.

1-6

S651-810002

NIPPLE-GREASE

2шт.

2

61N4-40021

CONTROL LINK-RH

1шт.

3

61N4-40030

CONTROL LINK-LH

1шт.

4

61E3-1108

PIN-ATTACH

#0071

1шт.

4

61E3-11081

PIN-ATTACH

#0072 - #0239

1шт.

5

61N4-11090

PIN-ATTACH

#0457

1шт.

5

61N4-11091

PIN

#0458

1шт.

6

61N4-11100

PIN

#0457

1шт.

6

61N4-11100-AS

PIN

#0457

1шт.

6

61N4-11101

PIN

#0458

1шт.

6

61N4-11101-AS

PIN

#0458

1шт.

7

E161-3052

O-RING

4шт.

8

S017-101302

BOLT-HEX

4шт.

9

S205-161002

NUT-HEX

8шт.

10

S391-065110

SHIM-ROUND(1.0T)

#0239

1шт.

10

S391-065110

SHIM-ROUND(1.0T)

#0240 - #0356

2шт.

11

S392-065110

SHIM-ROUND(2.0T)

#0239

1шт.

11

S392-065110

SHIM-ROUND(2.0T)

#0240 - #0356

2шт.

12

S391-065120

SHIM-ROUND(1.0T)

1шт.

13

S392-065120

SHIM-ROUND(2.0T)

1шт.

14

S391-070120

SHIM-ROUND(1.0T)

1шт.

15

S392-070120

SHIM-ROUND(2.0T)

1шт.

16

S651-810002

NIPPLE-GREASE

3шт.

17

61E3-12060

PIN

#0071

1шт.

17

61E3-12061

PIN

#0072 - #0239

1шт.

17

61E3-12061

PIN

#0240

2шт.

Выбрано товаров: 32