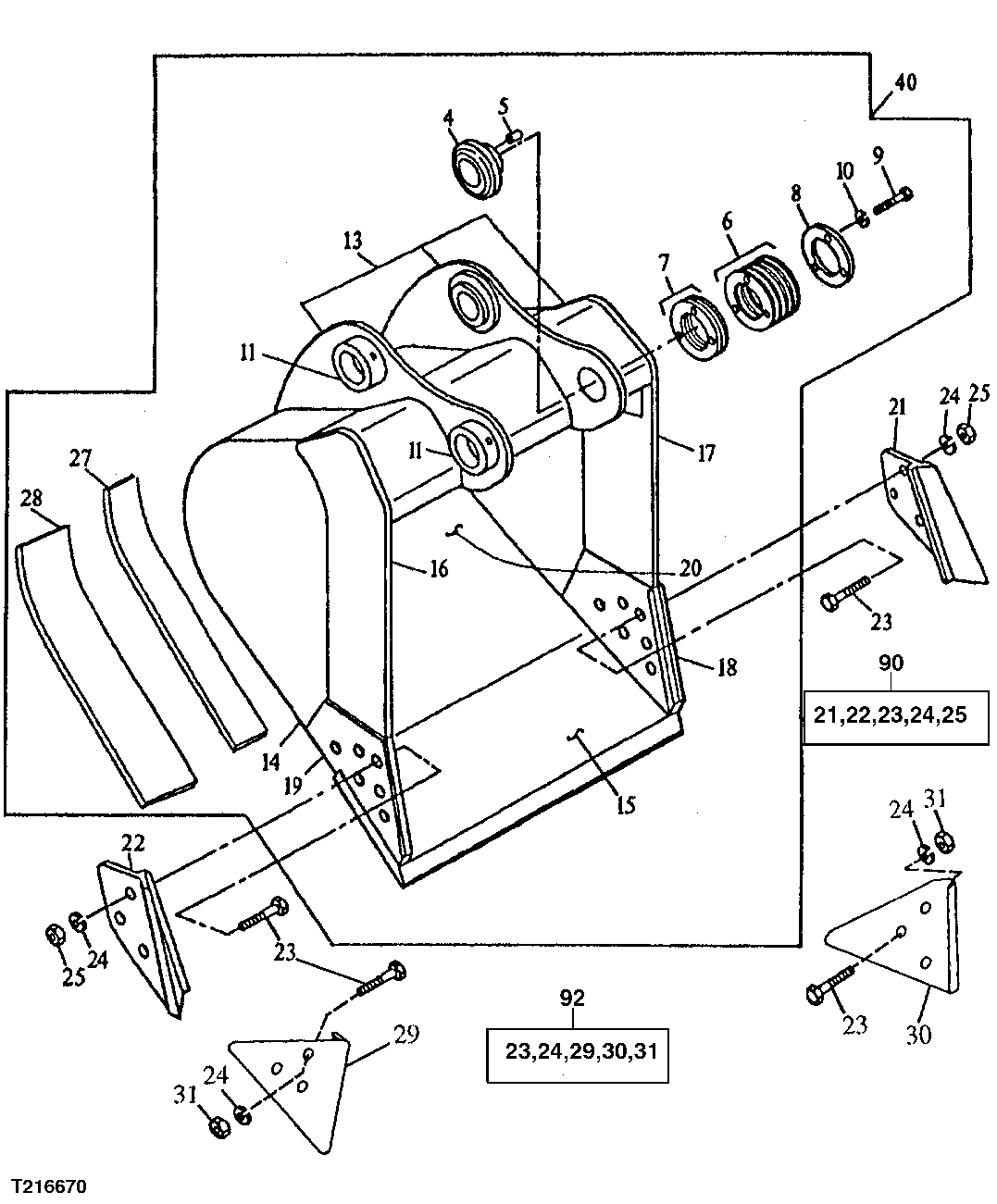
Запчасти John Deere 30CLC 173 - HEAVY DUTY BUCKET (400 SERIES TEETH) (SEE FOOTNOTE) 3302 BUCKET WITH TEETH

Схема запчастей John Deere 30CLC - 173 - HEAVY DUTY BUCKET (400 SERIES TEETH) (SEE FOOTNOTE) 3302 BUCKET WITH TEETH
FIT
1:1
100%

Артикул

Название

Примечание

Количество

4

AT131084

Bushing

1шт.

5

R48685

Dowel Pin

1шт.

6

TH102460

Washer

1 MM

6шт.

7

TH102461

Shim

2шт.

8

Plate

( TH102463 NLA)

1шт.

9

19H2706

Cap Screw

5/8" X 2"

3шт.

10

12H294

Lock Washer

5/8"

3шт.

11

TH102409

Bushing

2шт.

13

C603692

Pivot

(A) Bucket Ear Blank Assembly

1шт.

14

300804

Plate

(A) (RH/LH)

1шт.

15

AT131097

Dura-Max Cutting Edge

(CUT TO LENGTH)

1шт.

16

300526

Vertical Cutter

(A) (UPPER RH)

1шт.

17

300527

Vertical Cutter

(A) (UPPER LH)

1шт.

18

304568

Vertical Cutter

(A) (LH)

1шт.

19

304567

Vertical Cutter

(A) (RH)

1шт.

20

600312

Moldboard

(A) (UPPER) (30 INCH)

1шт.

600313

Moldboard

(A) (UPPER) (36 INCH)

1шт.

600314

Moldboard

(A) (UPPER) (42 INCH)

1шт.

600315

Moldboard

(A) (UPPER) (48 INCH)

1шт.

603302

Moldboard

(A) (UPPER) (54 INCH)

1шт.

600418

Moldboard

(A) (LOWER) (30 INCH)

1шт.

600419

Moldboard

(A) (LOWER) (36 INCH)

1шт.

600420

Moldboard

(A) (LOWER) (42 INCH)

1шт.

600421

Moldboard

(A) (LOWER) (48 INCH)

1шт.

603303

Moldboard

(A) (LOWER) (54 INCH)

1шт.

21

Cutting Edge

(SUB AT131080)

1шт.

22

Cutting Edge

(SUB AT131080)

1шт.

23

09H1770

Bolt

7/8" X 2-1/2"

6шт.

24

12H245

Lock Washer

7/8"

6шт.

25

14H1077

Nut

7/8"

6шт.

27

300524

Bar

(A) (WEAR) (INNER)

2шт.

28

304564

Bar

(A) (WEAR) (OUTER)

2шт.

29

Shroud

Wear (SUB AT167874)

1шт.

30

Shroud

Wear (SUB AT167874)

1шт.

31

14H1044

Nut

7/8"

6шт.

40

Excavator Bucket

(B) ( AT163633 NLA) (30 INCH/0.95 CUBIC YARD) (WHOLE GOODS) (SUB FOR AT131036, AT131156 ) (SUB AT172476 )

1шт.

Excavator Bucket

(B) ( AT163634 NLA) (36 INCH/1.16 CUBIC YARD) (WHOLE GOODS) (SUB FOR AT131037, AT131157 ) (SUB AT172477 )

1шт.

Excavator Bucket

(B) ( AT163635 NLA) (42 INCH/1.38 CUBIC YARD) (WHOLE GOODS) (SUB FOR AT131038, AT131158 ) (SUB AT172478 )

1шт.

Excavator Bucket

(B) ( AT163636 NLA) (48 INCH/1.60 CUBIC YARD) (WHOLE GOODS) (SUB FOR AT131039, AT131159 ) (SUB AT172479 )

1шт.

Excavator Bucket

(B) ( AT163637 NLA) (54 INCH/1.82 CUBIC YARD) (WHOLE GOODS) (SUB FOR AT131040, AT131160 ) (SUB AT172480 )

1шт.

91

AT131080

End Bit

Side Cutter Kit (WHOLE GOODS)

1шт.

92

AT167874

Kit

Edge Protector (WHOLE GOODS)

1шт.

Выбрано товаров: 42