Качественные детали и логистика
Оригинальные и аналоговые запчасти с доставкой по России, Казахстану и Беларуси
©2022 PartSell ООО "Система" ИНН 2463123282 ОГРН 1212400004838
Центральный офис: г. Красноярск, Академика Киренского, д.87, пом.4
Телефон: 8 (800) 777-65-74 Email: zakaz@partsell.ru
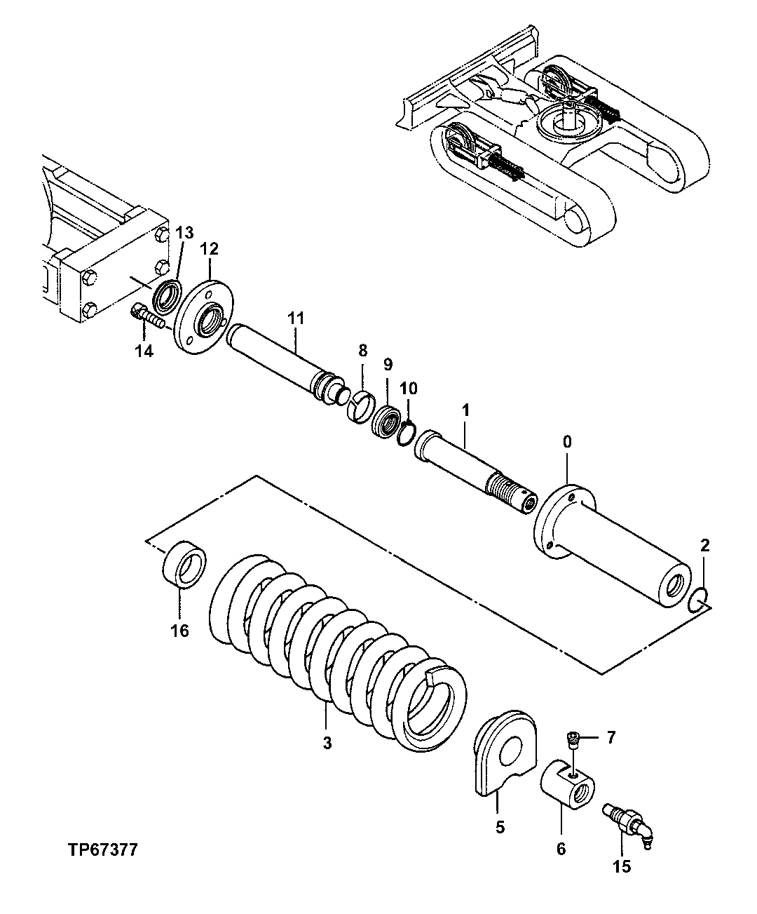
3 - Track Adjuster
№
Артикул
Название
Примечание
Количество
0
3085800
Cylinder
1шт.
1
3058196
Hydraulic Cylinder Rod
2
955020
O-Ring
(SUB FOR AT132422, 4006683)
3
3085801
Spring
5
4324332
Retainer
6
4285040
Nut
7
4276113
Plug
8
4324333
Wear Ring
9
4324334
Packing
10
4235202
Snap Ring
11
3066843
12
3066842
Flange
13
4324335
Seal
14
19M8446
Screw
M8 X 20 (SUB FOR M340820)
3шт.
15
4276114
Flow Control Hyd. Valve
16
4323076
Spacer
Выбрано товаров: 0