Запчасти John Deere 90 24 - HEAVY DUTY BUCKET (FOR USE WITH 400 SERIES TEETH) 3302 - EXCAVATOR 33

Схема запчастей John Deere 90 - 24 - HEAVY DUTY BUCKET (FOR USE WITH 400 SERIES TEETH) 3302 - EXCAVATOR 33
FIT
1:1
100%

Артикул

Название

Примечание

Количество

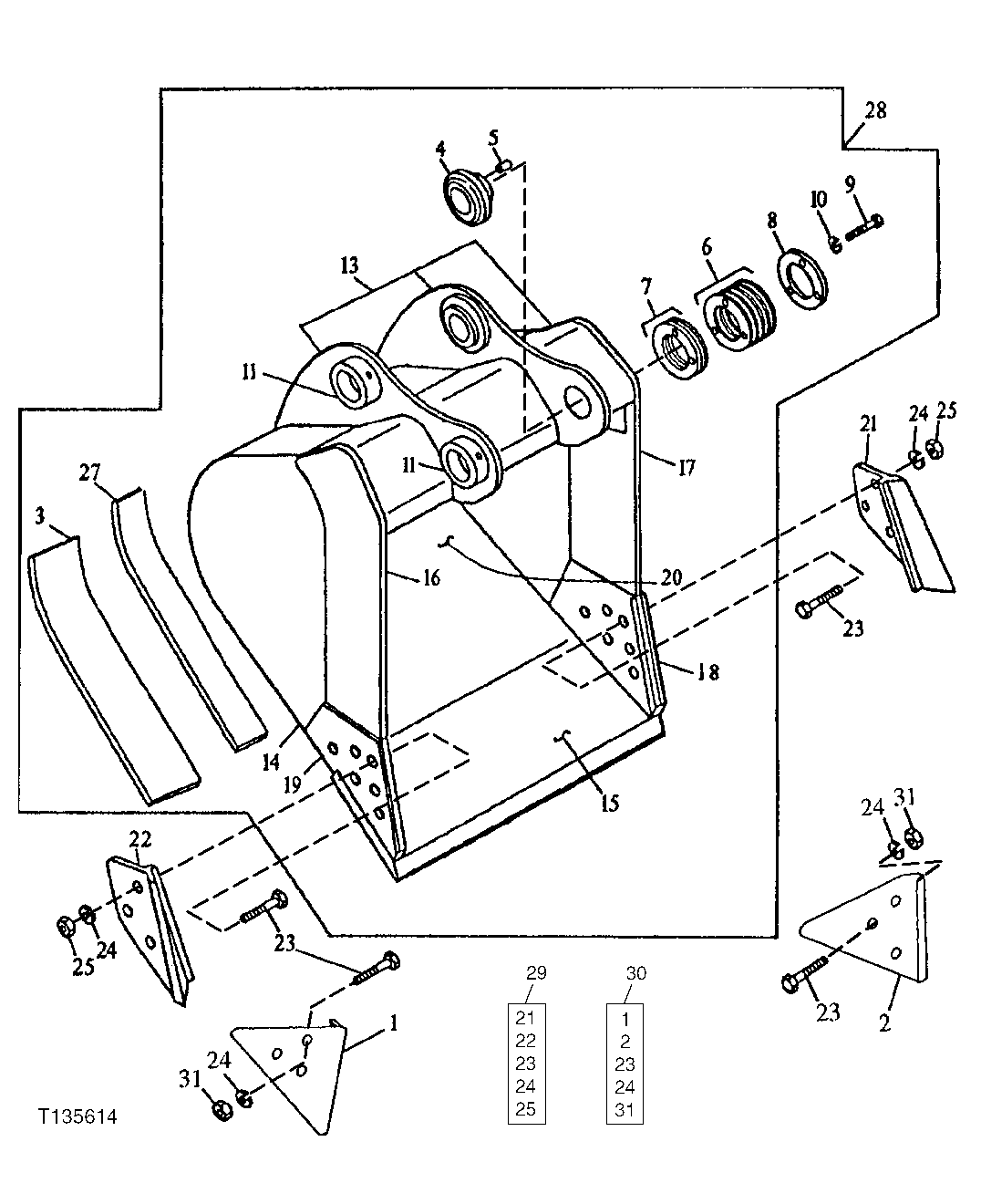
1

SHROUD

(RT EDGE PROTECTOR) (SUB AT167874)

1шт.

2

SHROUD

(LT EDGE PROTECTOR) (SUB AT167874)

1шт.

3

304564

BAR

(C) (OUTER WEAR)

2шт.

4

AT131084

BUSHING

1шт.

5

R48685

DOWEL PIN

1шт.

6

TH102460

WASHER

(1 MM)

6шт.

7

TH102461

SHIM

(.5 MM)

2шт.

8

TH102463

PLATE

1шт.

9

19H2706

CAP SCREW

5/8" X 2"

3шт.

10

12H294

LOCK WASHER

5/8"

3шт.

11

TH102409

BUSHING

2шт.

13

C603692

PIVOT

(C) (BUCKET EAR BLANK ASSEMBLY)

1шт.

14

300804

PLATE

(C) (RIGHT AND LEFT SIDE)

1шт.

15

AT131097

CUTTING EDGE

(CUT TO LENGTH) (72 INCHES)

1шт.

T154189

DURA-MAX TM CUTTING EDGE

(CUT TO LENGTH) (42 INCHES)

1шт.

T154188

DURA-MAX TM CUTTING EDGE

(CUT TO LENGTH) (36 INCHES)

1шт.

16

300526

VERTICAL CUTTER

(C) (UPPER RIGHT SIDE CUTTER)

1шт.

17

300527

VERTICAL CUTTER

(C) (UPPER LEFT SIDE CUTTER)

1шт.

18

304568

VERTICAL CUTTER

(C) (LEFT SIDE CUTTER INSERT)

1шт.

19

304567

VERTICAL CUTTER

(C) (RIGHT SIDE CUTTER INSERT)

1шт.

20A

600312

MOLDBOARD

(C) (UPPER MOLDBOARD - 30 INCH BUCKET)

1шт.

600313

MOLDBOARD

(C) (UPPER MOLDBOARD - 36 INCH BUCKET)

1шт.

600314

MOLDBOARD

(C) (UPPER MOLDBOARD - 42 INCH BUCKET)

1шт.

600315

MOLDBOARD

(C) (UPPER MOLDBOARD - 48 INCH BUCKET)

1шт.

603302

MOLDBOARD

(C) (UPPER MOLDBOARD - 54 INCH BUCKET)

1шт.

20B

600418

MOLDBOARD

(C) (LOWER MOLDBOARD - 30 INCH BUCKET)

1шт.

600419

MOLDBOARD

(C) (LOWER MOLDBOARD - 36 INCH BUCKET)

1шт.

600420

MOLDBOARD

(C) (LOWER MOLDBOARD - 42 INCH BUCKET)

1шт.

600421

MOLDBOARD

(C) (LOWER MOLDBOARD - 48 INCH BUCKET)

1шт.

603303

MOLDBOARD

(C) (LOWER MOLDBOARD - 54 INCH BUCKET)

1шт.

21

CUTTING EDGE

(A) (LT SIDE CUTTER)

1шт.

22

CUTTING EDGE

(A) (RT SIDE CUTTER)

1шт.

23

09H1770

BOLT

(A) (B) 7/8" X 2-1/2"

6шт.

24

12H245

LOCK WASHER

(A) (B) 7/8"

6шт.

25

14H1077

NUT

(A) 7/8"

6шт.

27

300524

BAR

(C) (INNER WEAR)

2шт.

28

EXCAVATOR BUCKET

( AT172476 NLA) (30 INCH - .95 CUBIC YARD) (AVAILABLE TOOTH ASSEMBLIES ON SEPARATE PAGE) (SUB FOR AT131036, AT131156 OR AT163633)

1шт.

EXCAVATOR BUCKET

( AT172477 NLA) (36 INCH - 1.16 CUBIC YARD) (AVAILABLE TOOTH ASSEMBLIES ON SEPARATE PAGE) (SUB FOR AT131037, AT131157 OR AT163634)

1шт.

EXCAVATOR BUCKET

( AT172478 NLA) (42 INCH - 1.38 CUBIC YARD) (AVAILABLE TOOTH ASSEMBLIES ON SEPARATE PAGE) (SUB FOR AT131038, AT131158 OR AT163635) (SUB AT332706)

1шт.

EXCAVATOR BUCKET

( AT172479 NLA) (48 INCH - 1.60 CUBIC YARD) (AVAILABLE TOOTH ASSEMBLIES ON SEPARATE PAGE) (SUB FOR AT131039, AT131159 OR AT172479) (SUB AT332707)

1шт.

EXCAVATOR BUCKET

(SUB FOR AT131040, AT131160 OR AT163637) (SUB AT332708) ( AT172480 NLA) (54 INCH - 1.82 CUBIC YARD) (AVAILABLE TOOTH ASSEMBLIES ON SEPARATE PAGE)

1шт.

29

AT131080

END BIT

WHOLEGOODS

1шт.

30

AT167874

KIT

(WHOLEGOODS) (INCLUDES PARTS MARKED (A)) WHOLEGOODS

1шт.

31

14H1044

NUT

22.225 MM (7/8") (WHOLEGOODS) (INCLUDES PARTS MARKED (B)) EDGE PROTECTOR

6шт.

Выбрано товаров: 44