Запчасти John Deere 90D 10 - HEAVY DUTY BUCKET (FOR USE WITH 310 SERIES TEETH) 3302 - EXCAVATOR 33

Схема запчастей John Deere 90D - 10 - HEAVY DUTY BUCKET (FOR USE WITH 310 SERIES TEETH) 3302 - EXCAVATOR 33
FIT
1:1
100%

Артикул

Название

Примечание

Количество

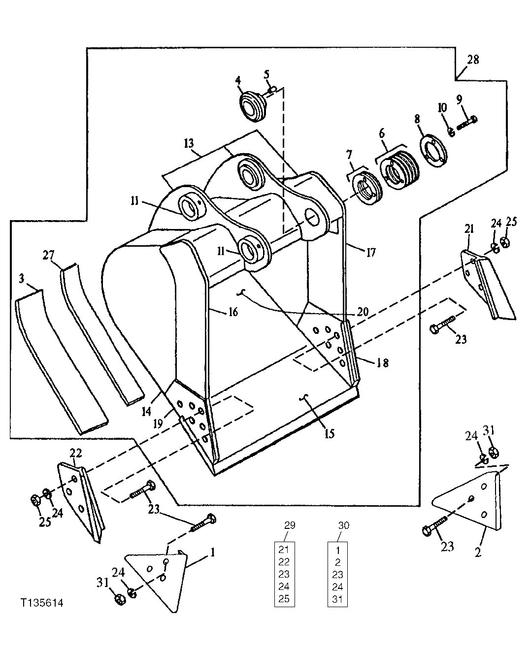
1

SHROUD

(B) (RT. EDGE PROTECTOR)

1шт.

2

SHROUD

(B) (LT. EDGE PROTECTOR)

1шт.

3

304564

BAR

(C) (OUTER WEAR)

2шт.

4

AT131084

BUSHING

1шт.

5

R48685

DOWEL PIN

1шт.

6

TH102460

WASHER

(1 MM)

7шт.

7

TH102461

SHIM

(.5 MM)

3шт.

8

TH102463

PLATE

1шт.

9

19H2706

CAP SCREW

5/8" X 2"

3шт.

10

12H294

LOCK WASHER

5/8"

3шт.

11

TH102409

BUSHING

2шт.

13

C603692

PIVOT

(C) (BUCKET EAR BLANK ASSEMBLY)

1шт.

14

300804

PLATE

(C) (RIGHT AND LEFT SIDE)

1шт.

15

AT131090

CUTTING EDGE

(CUT TO LENGTH)

1шт.

16

300526

VERTICAL CUTTER

(C) (UPPER RIGHT SIDE CUTTER)

1шт.

17

300527

VERTICAL CUTTER

(C) (UPPER LEFT SIDE CUTTER)

1шт.

18

304568

VERTICAL CUTTER

(C) (LEFT SIDE CUTTER INSERT)

1шт.

19

304567

VERTICAL CUTTER

(C) (RIGHT SIDE CUTTER INSERT)

1шт.

20A

600312

MOLDBOARD

(C) (UPPER MOLDBOARD - 30 INCH BUCKET)

1шт.

600313

MOLDBOARD

(C) (UPPER MOLDBOARD - 36 INCH BUCKET)

1шт.

600314

MOLDBOARD

(C) (UPPER MOLDBOARD - 42 INCH BUCKET)

1шт.

600315

MOLDBOARD

(C) (UPPER MOLDBOARD - 48 INCH BUCKET)

1шт.

603302

MOLDBOARD

(C) (UPPER MOLDBOARD - 54 INCH BUCKET)

1шт.

20B

600418

MOLDBOARD

(C) (UPPER MOLDBOARD - 30 INCH BUCKET)

1шт.

600419

MOLDBOARD

(C) (UPPER MOLDBOARD - 36 INCH BUCKET)

1шт.

600420

MOLDBOARD

(C) (UPPER MOLDBOARD - 42 INCH BUCKET)

1шт.

600421

MOLDBOARD

(C) (UPPER MOLDBOARD - 48 INCH BUCKET)

1шт.

603303

MOLDBOARD

(C) (UPPER MOLDBOARD - 54 INCH BUCKET)

1шт.

21

CUTTING EDGE

(A) (LT. HAND SIDE CUTTER)

1шт.

22

CUTTING EDGE

(A) (RT. HAND SIDE CUTTER)

1шт.

23

09H1770

BOLT

(A) (B) 7/8" X 2-1/2"

6шт.

24

12H245

LOCK WASHER

(A) (B) 7/8"

6шт.

25

14H1077

NUT

(A) 7/8"

6шт.

27

300524

BAR

(C) (INNER WEAR)

1шт.

28

EXCAVATOR BUCKET

(WHOLE GOODS) (SUB FOR AT131036 OR AT131156) (SUB AT172476) ( AT163633 NO LONGER AVAILABLE) (30 INCH - .95 CUBIC YARD) (AVAILABLE TOOTH ASSEMBLIES ON SEPARATE PAGE)

1шт.

EXCAVATOR BUCKET

(WHOLE GOODS) (SUB FOR AT131037 OR AT131157) (SUB AT172477) ( AT163634 NO LONGER AVAILABLE) (36 INCH - 1.16 CUBIC YARD) (AVAILABLE TOOTH ASSEMBLIES ON SEPARATE PAGE)

1шт.

EXCAVATOR BUCKET

(WHOLE GOODS) (SUB FOR AT131038 OR AT131158) (SUB AT172478) ( AT163635 NO LONGER AVAILABLE) (42 INCH - 1.38 CUBIC YARD) (AVAILABLE TOOTH ASSEMBLIES ON SEPARATE PAGE)

1шт.

EXCAVATOR BUCKET

(WHOLE GOODS) (SUB FOR AT131039 OR AT131159) (SUB AT172479) ( AT163636 NO LONGER AVAILABLE) (48 INCH - 1.60 CUBIC YARD) (AVAILABLE TOOTH ASSEMBLIES ON SEPARATE PAGE)

1шт.

EXCAVATOR BUCKET

(WHOLE GOODS) (SUB FOR AT131040 OR AT131160) (SUB AT172480) ( AT163637 NO LONGER AVAILABLE) (54 INCH - 1.82 CUBIC YARD) (AVAILABLE TOOTH ASSEMBLIES ON SEPARATE PAGE)

1шт.

29

AT131080

KIT

WHOLEGOODS (SIDE CUTTER) (INCLUDES PARTS MARKED (A))

1шт.

30

AT167874

KIT

WHOLEGOODS (EDGE PROTECTOR) (INCLUDES PARTS MARKED (B))

1шт.

31

14H1044

NUT

(B) 22.225 MM (7/8")

6шт.

Выбрано товаров: 42