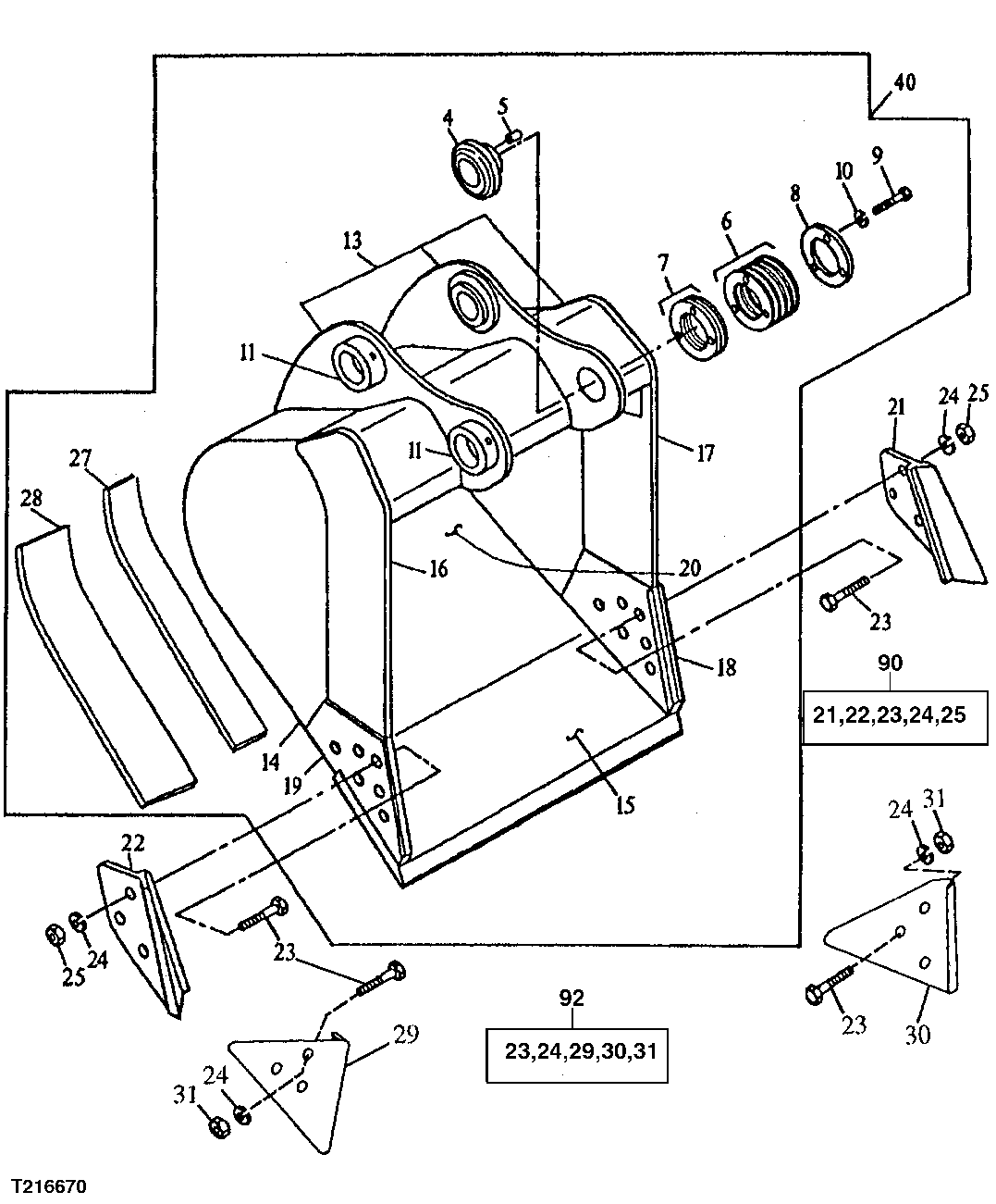
Запчасти John Deere 90ELC 203 - HEAVY DUTY BUCKET (FOR USE WITH 400 SERIES TEETH)(ALSO ORDER BUCKET TOOTH ASSEMBLIES) 3302 BUCKETS, TEETH, SHANKS AND SIDECUTTERS

Схема запчастей John Deere 90ELC - 203 - HEAVY DUTY BUCKET (FOR USE WITH 400 SERIES TEETH)(ALSO ORDER BUCKET TOOTH ASSEMBLIES) 3302 BUCKETS, TEETH, SHANKS AND SIDECUTTERS
FIT
1:1
100%

Артикул

Название

Примечание

Количество

4

AT131084

Bushing

1шт.

5

R48685

Dowel Pin

1шт.

6

TH102460

Washer

(1 MM)

6шт.

7

TH102461

Shim

(.5 MM)

2шт.

8

TH102463

Plate

1шт.

9

19H2706

Cap Screw

5/8" X 2"

3шт.

10

12H294

Lock Washer

5/8"

3шт.

11

TH102409

Bushing

2шт.

13

C603692

Pivot

(F) (BUCKET EAR BLANK ASSEMBLY)

1шт.

14

300804

Plate

(F) (RH / LH)

1шт.

15

AT131097

Dura-Max Cutting Edge

(CUT TO LENGTH) (72 INCHES)

1шт.

16

300526

Vertical Cutter

(F) (UPPER RH)

1шт.

17

300527

Vertical Cutter

(F) (UPPER LH)

1шт.

18

304568

Vertical Cutter

(F) (LH)

1шт.

19

304567

Vertical Cutter

(F) (RH)

1шт.

20A

600312

Moldboard

(F) (UPPER)(30 INCH)

1шт.

600313

Moldboard

(F) (UPPER MOLDBOARD - 36 INCH BUCKET)

1шт.

600314

Moldboard

(F) (UPPER)(42 INCH)

1шт.

600315

Moldboard

(F) (UPPER)(48 INCH)

1шт.

603302

Moldboard

(F) (UPPER)(54 INCH)

1шт.

20B

600418

Moldboard

(F) (LOWER)(30 INCH)

1шт.

600419

Moldboard

(F) (LOWER)(36 INCH)

1шт.

600420

Moldboard

(F) (LOWER)(42 INCH)

1шт.

600421

Moldboard

(F) (LOWER)(48 INCH)

1шт.

603303

Moldboard

(F) (LOWER)(54 INCH)

1шт.

21

Cutting Edge

(SUB AT131080)

1шт.

22

Cutting Edge

(SUB AT131080)

1шт.

23

09H1770

Bolt

7/8" X 2-1/2"

6шт.

24

12H245

Lock Washer

7/8"

6шт.

25

14H1077

Nut

7/8"

6шт.

27

300524

Bar

(F) (WEAR) (INNER)

2шт.

28

304564

Bar

(F) (WEAR) (OUTER)

2шт.

29

Shroud

(WEAR) (SUB AT167874)

1шт.

30

Shroud

(WEAR) (SUB AT167874)

1шт.

31

14H1044

Nut

7/8" (K2)

6шт.

40

Excavator Bucket

( AT131036, AT131156, AT163633 OR AT17247 6 NLA) (30 INCH - .95 CUBIC YARD) WHOLEGOODS

1шт.

Excavator Bucket

( AT131037, AT131157, AT163634 OR AT17247 7 NLA) (36 INCH - 1.16 CUBIC YARD) WHOLEGOODS

1шт.

Excavator Bucket

( AT131038, AT131158, AT163635 OR AT17247 8 NLA) (42 INCH - 1.38 CUBIC YARD) WHOLEGOODS

1шт.

Excavator Bucket

( AT131039, AT131159, AT163636 OR AT17247 9 NLA) (48 INCH - 1.60 CUBIC YARD) WHOLEGOODS

1шт.

Excavator Bucket

( AT131040, AT131160, AT163637 OR AT17248 0 NLA) (54 INCH - 1.82 CUBIC YARD) WHOLEGOODS

1шт.

91

Kit

(WOODS-CENTRAL FABRICATORS PART NO. C20 338) (SIDE CUTTER KIT) ( AT131080 NLA)

1шт.

92

Kit

(WOODS-CENTRAL FABRICATORS PART NO. C283 57) (EDGE PROTECTOR KIT) ( AT167874 NLA)

1шт.

Выбрано товаров: 42