Запчасти Komatsu D65P-8 ГУСЕНИЦЫ (СМАЗЫВ. ТИПА) ГУСЕНИЦЫ

Схема запчастей Komatsu D65P-8 - ГУСЕНИЦЫ (СМАЗЫВ. ТИПА) ГУСЕНИЦЫ
FIT
1:1
100%

Артикул

Название

Примечание

Количество

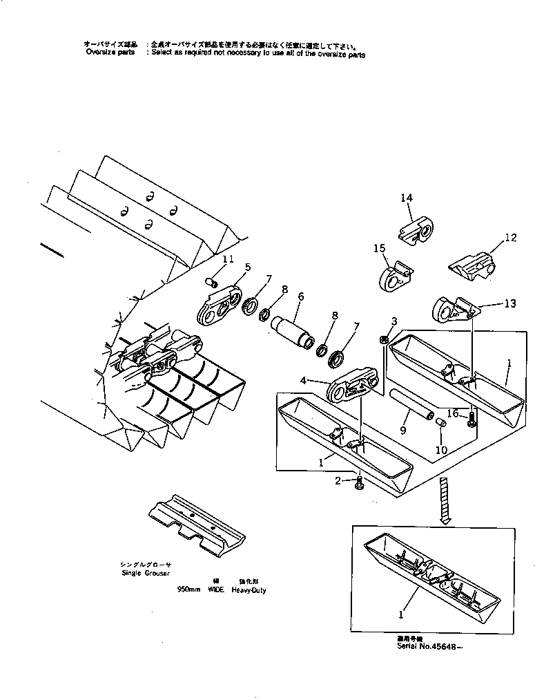
|$$1

SWAMP 950MM

-1шт.

|1

144-820-0428

TRACK SHOE ASS'Y

SN: 46274-UP

1шт.

|1

0

TRACK SHOE ASS'Y

SN: 45648-46273

1шт.

|1

0

TRACK SHOE ASS'Y

SN: 45001-45647

1шт.

1

144-820-7119

SHOE,TRACK

SN: 46274-UP

88шт.

|1

0

SHOE,TRACK

SN: 45648-46273

88шт.

|1

0

SHOE,TRACK

SN: 45001-45647

88шт.

2

14G-32-11211

BOLT,SHOE (KIT)

SN: 46274-UP

336шт.

|2

14G-32-11210

BOLT,SHOE (KIT)

SN: 45001-46273

336шт.

3

154-32-21331

NUT,SHOE (KIT)

SN: 46274-UP

336шт.

|3

154-32-21330

NUT,SHOE (KIT)

SN: 45001-46273

336шт.

|4

144-820-0053

TRACK LINK ASS'Y

SN: 45001-UP

1шт.

4

144-32-11123

LINK,TRACK¤ L.H.

SN: 45001-UP

84шт.

5

144-32-11133

LINK,TRACK¤ R.H.

SN: 45001-UP

84шт.

6

144-32-21142

BUSHING

SN: 45001-UP

88шт.

7

144-32-21161

SEAL ASS'Y

SN: 45001-UP

176шт.

8

144-32-21191

SPACER

SN: 45001-UP

176шт.

9

144-32-21151

PIN

SN: 45001-UP

88шт.

10

07059-11830

PLUG,LARGE

SN: 45001-UP

88шт.

11

07059-20721

PLUG,SMALL

SN: 45001-UP

88шт.

12

144-32-21222

LINK,MASTER¤ L.H. PIN SIDE

SN: 45001-UP

4шт.

13

144-32-21232

LINK,MASTER¤ L.H. BUSHING SIDE

SN: 45001-UP

4шт.

14

144-32-21322

LINK,MASTER¤ R.H. PIN SIDE

SN: 45001-UP

4шт.

15

144-32-21332

LINK,MASTER¤ R.H. BUSHING SIDE

SN: 45001-UP

4шт.

16

144-32-21362

BOLT,MASTER

SN: 45001-UP

16шт.

|$$26

SERVICE KIT

-1шт.

|1

14G-32-05001

SHOE BOLT AND NUT K.

SN: 46274-UP

1шт.

|1

0

SHOE BOLT AND NUT K.

SN: 45001-46273

1шт.

1

14G-32-11211

BOLT,SHOE

SN: 46274-UP

30шт.

|1

14G-32-11210

BOLT,SHOE

SN: 45001-46273

30шт.

2

154-32-21331

NUT,SHOE

SN: 46274-UP

30шт.

|2

154-32-21330

NUT,SHOE

SN: 45001-46273

30шт.

|$$33

SINGLE 950MM{HEAVY-DUTY}

-1шт.

|1

14G-32-01215

TRACK SHOE ASS'Y

SN: 46274-UP

1шт.

|1

0

TRACK SHOE ASS'Y

SN: 45001-46273

1шт.

1

14G-32-11111

SHOE,TRACK

SN: 45001-UP

88шт.

2

207-32-11312

BOLT,SHOE (KIT)

SN: 46274-UP

336шт.

|2

207-32-11310

BOLT,SHOE (KIT)

SN: 45001-46273

336шт.

3

154-32-21331

NUT,SHOE (KIT)

SN: 46274-UP

336шт.

|3

154-32-21330

NUT,SHOE (KIT)

SN: 45001-46273

336шт.

|4

144-820-0063

TRACK LINK ASS'Y

SN: 45001-UP

1шт.

4

144-32-11123

LINK,TRACK¤ L.H.

SN: 45001-UP

84шт.

5

144-32-11133

LINK,TRACK¤ R.H.

SN: 45001-UP

84шт.

6

144-32-21142

BUSHING

SN: 45001-UP

88шт.

7

144-32-21161

SEAL ASS'Y

SN: 45001-UP

176шт.

8

144-32-21191

SPACER

SN: 45001-UP

176шт.

9

144-32-21151

PIN

SN: 45001-UP

88шт.

10

07059-11830

PLUG,LARGE

SN: 45001-UP

88шт.

11

07059-20721

PLUG,SMALL

SN: 45001-UP

88шт.

12

144-32-21222

LINK,MASTER¤ L.H. PIN SIDE

SN: 45001-UP

4шт.

13

144-32-21232

LINK,MASTER¤ L.H. BUSHING SIDE

SN: 45001-UP

4шт.

14

144-32-21322

LINK,MASTER¤ R.H. PIN SIDE

SN: 45001-UP

4шт.

15

144-32-21332

LINK,MASTER¤ R.H. BUSHING SIDE

SN: 45001-UP

4шт.

16

144-32-21342

BOLT,MASTER

SN: 45001-UP

16шт.

|$$55

SERVICE KIT

-1шт.

|1

207-32-05002

SHOE BOLT AND NUT K.

SN: 46274-UP

1шт.

|1

0

SHOE BOLT AND NUT K.

SN: 45001-46273

1шт.

1

207-32-11312

BOLT,SHOE

SN: 46274-UP

30шт.

|1

207-32-11310

BOLT,SHOE

SN: 45001-46273

30шт.

2

154-32-21331

NUT,SHOE

SN: 46274-UP

30шт.

|2

154-32-21330

NUT,SHOE

SN: 45001-46273

30шт.

|$$62

OVERSIZE PARTS

-1шт.

|$$63

0.10MM OVERSIZE

-1шт.

6

144-98-09170

BUSHING

SN: 45001-UP

-2шт.

9

144-98-09071

PIN

SN: 45001-UP

-2шт.

|$$66

0.18MM OVERSIZE

-1шт.

6

144-98-09180

BUSHING

SN: 45001-UP

-2шт.

9

144-98-09081

PIN

SN: 45001-UP

-2шт.

Выбрано товаров: 68