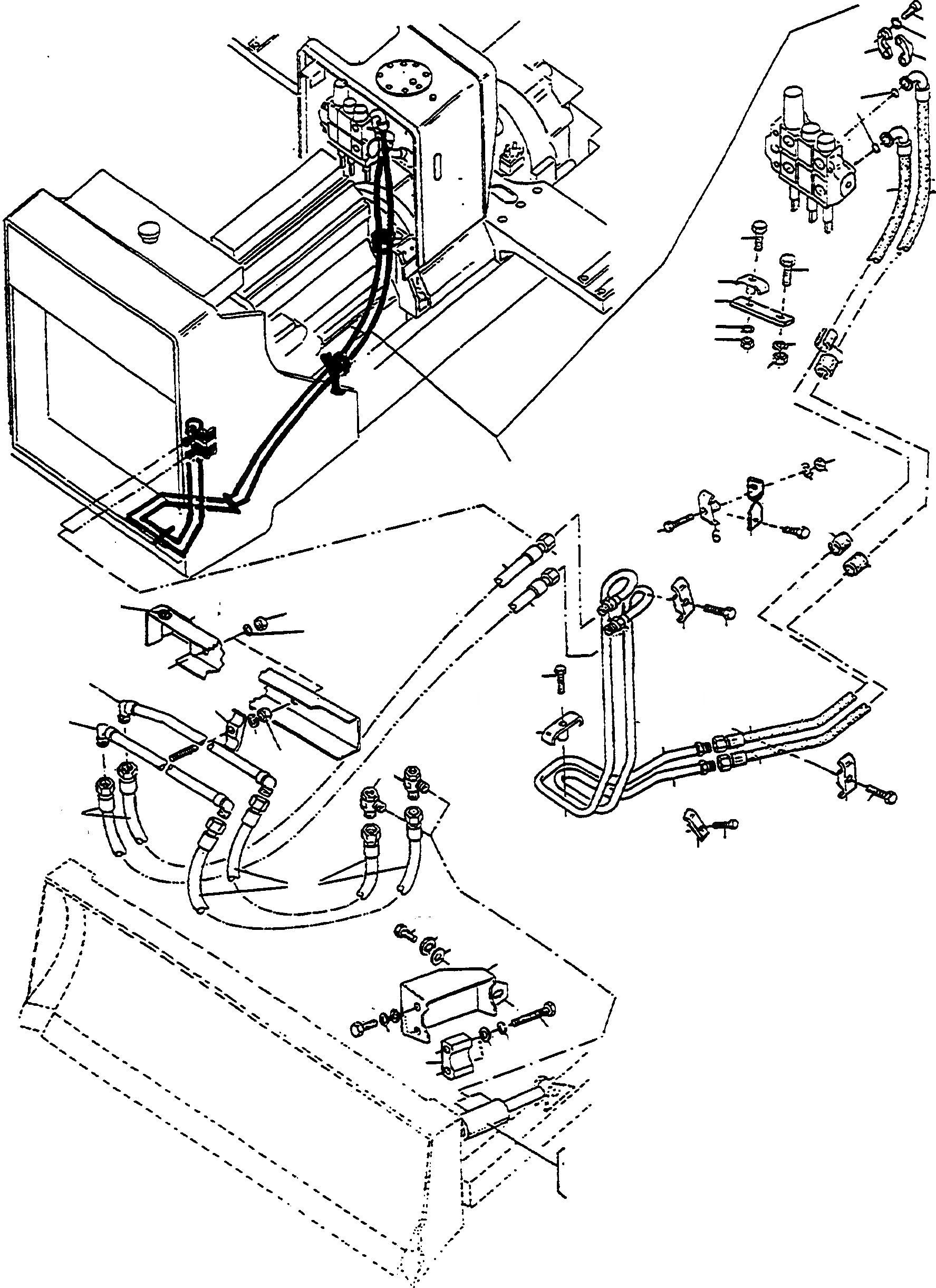
Запчасти Komatsu D670E НАКЛОН.-ЦИЛИНДР И ТРУБЫS ГИДРАВЛИКА

Схема запчастей Komatsu D670E - НАКЛОН.-ЦИЛИНДР И ТРУБЫS ГИДРАВЛИКА
4
1
7A
8
5
11
11
11
3
3
16
17
13
14
19
34
37
38
37
36
38
36
37
2
32
31
21
21A
23
23A
22
22A
28
28A
39
7
1
7
6
10
9
9
8
8
9
12
21
29
21
30
15
15
25
1
16
26
27
1
18
7
6
38
33
35
20
FIT
1:1
100%

Артикул

Название

Примечание

Количество

1

4101893M91

HOSE ASSEMBLY

DeutschDesc: SCHLAUCH VOLLST.

2шт.

2

1444848X1

O-RING

DeutschDesc: O-RING

2шт.

3

1444835X1

HALF FLANGE

DeutschDesc: HALBFLANSCH

4шт.

4

1441436X1

SCREW

DeutschDesc: SCHRAUBE

8шт.

5

2993680X1

LOCK WASHER

DeutschDesc: SICHERUNGSSCHEIBE

8шт.

6

2990157M91

CLIP

DeutschDesc: SCHELLE

3шт.

7

339556X1

SCREW

DeutschDesc: SCHRAUBE

3шт.

7A

339451X1

SCREW

DeutschDesc: SCHRAUBE

1шт.

8

2993793X1

SPRING WASHER

DeutschDesc: FEDERRING

3шт.

9

339402X1

NUT

DeutschDesc: MUTTER

3шт.

10

2986501M1

BRACKET

DeutschDesc: HALTER

1шт.

11

1443891X1

HOSE

DeutschDesc: SCHLAUCH

6шт.

12

4101880M1

BRACKET

DeutschDesc: HALTER

1шт.

13

1444643X1

CLIP

DeutschDesc: SCHELLE

2шт.

14

1444133X1

SCREW

DeutschDesc: SCHRAUBE

2шт.

15

1444135X1

SCREW

DeutschDesc: SCHRAUBE

2шт.

16

2891968M1

HOLDING CLAMP

DeutschDesc: HALTESCHELLE

2шт.

17

4101616M91

TUBE

DeutschDesc: ROHR

2шт.

18

4101614M91

TUBE

DeutschDesc: ROHR

2шт.

19

1608137M92

TILT CYLINDER

DeutschDesc: TILTZYLINDER

1шт.

|$45

TILT CYLINDER

DeutschDesc: TILTZYLINDER

-3шт.

20

4500951M91

TILT CYLINDER

DeutschDesc: TILTZYLINDER

1шт.

|$46

TILT CYLINDER

DeutschDesc: TILTZYLINDER

-3шт.

21

2988194M1

HOSE ASSEMBLY

EnglischBem: D670E

2шт.

21A

2988195M1

HOSE ASSEMBLY

EnglischBem: D680E LC+LGP

2шт.

22

2983721M91

PIPE

EnglischBem: D670+680E LC

1шт.

22A

2983724M91

PIPE

EnglischBem: D680E LGP

1шт.

23

2983720M91

PIPE

EnglischBem: D670+680E LC

1шт.

23A

2983723M91

PIPE

EnglischBem: D680E LGP

1шт.

24

3005261X1

STUD BOLT

DeutschDesc: STIFTSCHRAUBE

2шт.

25

2891968M1

HOLDING CLAMP

DeutschDesc: HALTESCHELLE

2шт.

26

2993793X1

SPRING WASHER

DeutschDesc: FEDERRING

2шт.

27

339402X1

NUT

DeutschDesc: MUTTER

2шт.

28

2983719M91

PROTECTOR

DeutschDesc: SCHUTZ

1шт.

28A

2983722M91

PROTECTOR

EnglischBem: D680E LGP

1шт.

29

2995017X1

NUT

DeutschDesc: MUTTER

2шт.

30

390734X1

PLAIN WASHER

DeutschDesc: UNTERLEGSCHEIBE

2шт.

31

2994473M1

HOSE ASSEMBLY

DeutschDesc: SCHLAUCH VOLLST.

2шт.

32

3004185X91

UNION

DeutschDesc: VERSCHRAUBUNG

2шт.

33

2978875M91

PROTECTOR

DeutschDesc: SCHUTZ

1шт.

34

1444028X1

SCREW

DeutschDesc: SCHRAUBE

2шт.

35

2978880M1

BLOCK

DeutschDesc: KLOTZ

1шт.

36

339299X1

SCREW

DeutschDesc: SCHRAUBE

4шт.

37

2994718M1

SPRING WASHER

DeutschDesc: FEDERRING

6шт.

38

390735X1

PLAIN WASHER

DeutschDesc: UNTERLEGSCHEIBE

6шт.

39

2996394M1

CAP

DeutschDesc: KAPPE

1шт.

Выбрано товаров: 0