Запчасти Komatsu D670E НАКЛОН.-ЦИЛИНДР НАКЛОН.-ЦИЛИНДР И ТРУБЫS

Схема запчастей Komatsu D670E - НАКЛОН.-ЦИЛИНДР НАКЛОН.-ЦИЛИНДР И ТРУБЫS
23
20
19
21
24
17
22
25
16
15
23
20
13
12
10
9
8
26
4
1
3
4
2
18
16
17
16
14
15
13
12
11
10
7
9
8
6
5
FIT
1:1
100%

Артикул

Название

Примечание

Количество

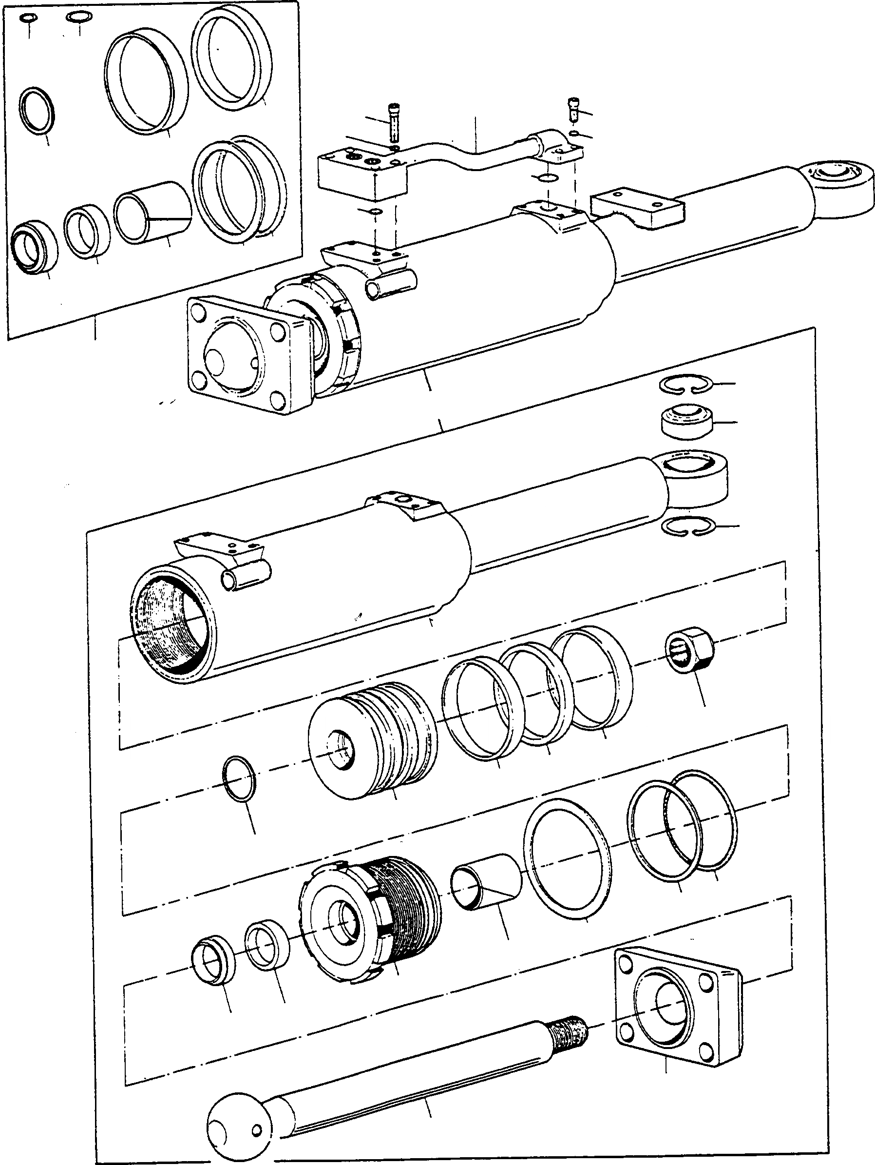
1

4500951M91

TILT CYLINDER

EnglischBem: REPAIRS AND REPLACES 4500 397 M91

1шт.

2

4500398M91

BARREL

DeutschDesc: ZYLINDERROHR

1шт.

3

1443636X1

BALL AND SOCKET JOIN

EnglischBem: REPAIRS AND REPLACES 1444 582 X1

1шт.

4

1440819X1

CIRCLIP

DeutschDesc: SICHERUNGSRING

2шт.

5

4500406M91

CYLINDER ROD

DeutschDesc: KOLBENSTANGE

1шт.

6

2892284M1

BALL FLANGE

DeutschDesc: KUGELFLANSCH

1шт.

7

4500413M1

GUIDE BUSH

DeutschDesc: FUEHRUNGSBUCHSE

1шт.

8

2994892M1

STRIPPER

EnglischBem: NOTE: Pos. (8) included in Pos. (1) and (26) Kit

1шт.

9

2994891M1

RING

EnglischBem: NOTE: Pos. (9) included in Pos. (1) and (26) Kit

1шт.

10

2996312M1

BAND

EnglischBem: NOTE: Pos. (10) included in Pos. (1) and (26) Kit

1шт.

11

4500190M1

TAB WASHER

DeutschDesc: SICHERUNGSBLECH

1шт.

12

2994824M1

BACK-UP RING

EnglischBem: NOTE: Pos. (12) included in Pos. (1) and (26) Kit

1шт.

13

2995860X1

O-RING

EnglischBem: NOTE: Pos. (13) included in Pos. (1) and (26) Kit

1шт.

14

4500412M1

PISTON

DeutschDesc: KOLBEN

1шт.

15

2995670X1

O-RING

EnglischBem: NOTE: Pos. (15) included in Pos. (1) and (26) Kit

1шт.

16

2994838M1

BAND

EnglischBem: NOTE: Pos. (16) included in Pos. (1) and (26) Kit

2шт.

17

2999660M1

SEAL

EnglischBem: NOTE: Pos. (17) included in Pos. (1) and (26) Kit

1шт.

18

2993312X1

NUT

DeutschDesc: MUTTER

1шт.

19

4500409M91

PIPE

DeutschDesc: ROHRLEITUNG

1шт.

20

3007858X1

O-RING

EnglischBem: NOTE: Pos. (20) included in Pos. (1) and (26) Kit

1шт.

21

1441757X1

SCREW

DeutschDesc: SCHRAUBE

4шт.

22

391241X1

SPRING WASHER

DeutschDesc: FEDERRING

4шт.

23

3007103X1

O-RING

EnglischBem: NOTE: Pos. (23) included in Pos. (1) and (26) Kit

1шт.

24

390580X1

SCREW

DeutschDesc: SCHRAUBE

4шт.

25

391241X1

SPRING WASHER

DeutschDesc: FEDERRING

4шт.

26

3241231M91

GASKET KIT

DeutschDesc: DICHTUNGSSATZ

1шт.

Выбрано товаров: 0