Запчасти Komatsu SAA4D107E-1A COMMON RAIL AA ДВИГАТЕЛЬ

Схема запчастей Komatsu SAA4D107E-1A - COMMON RAIL AA ДВИГАТЕЛЬ
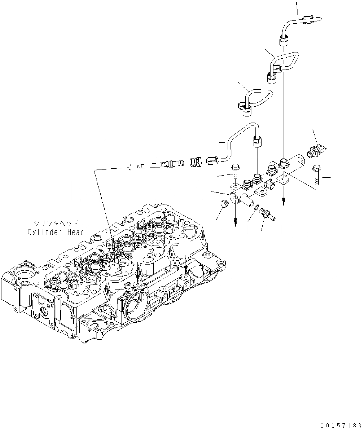
7
6
5
4
3
9
1
2
8
10
11
a
a
b
b
FIT
1:1
100%

Артикул

Название

Примечание

Количество

|$1

6751-71-1210

RAIL ASSEMBLY

SN: 21714587-UP

1шт.

1

0

RAIL

SN: 21714587-UP

1шт.

2

6754-72-1220

VALVE

SN: 21714587-UP

1шт.

3

6754-72-1211

SENSOR

SN: 21714587-UP

1шт.

4

6754-71-5220

TUBE, INJECTOR FUEL SUPPLY

SN: 21714587-UP

1шт.

5

6751-71-5220

TUBE, INJECTOR FUEL SUPPLY

SN: 21714587-UP

1шт.

6

6754-71-5230

TUBE, INJECTOR FUEL SUPPLY

SN: 21714587-UP

1шт.

7

6754-71-5240

TUBE, INJECTOR FUEL SUPPLY

SN: 21714587-UP

1шт.

8

6732-71-5350

WASHER

SN: 21714587-UP

1шт.

9

6732-21-5160

BOLT

SN: 21714587-UP

2шт.

10

6754-71-5340

CONNECTOR

SN: 21714587-UP

1шт.

11

6754-72-1211

BOLT

SN: 21714587-UP

2шт.

Выбрано товаров: 12