Запчасти Komatsu SAA6D107E-1B ЧАСТИ PERДЛЯMANCE, COMMON RAIL (№7-) ЧАСТИ PERДЛЯMANCE

Схема запчастей Komatsu SAA6D107E-1B - ЧАСТИ PERДЛЯMANCE, COMMON RAIL (№7-) ЧАСТИ PERДЛЯMANCE
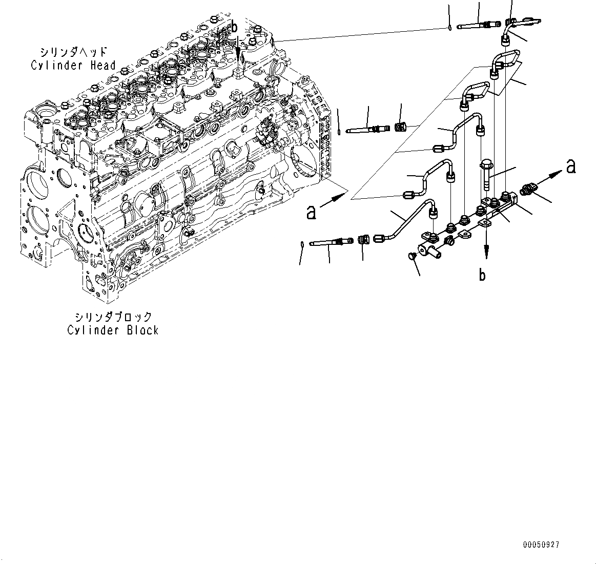
4
6
7
12
5
9
10
2
1
3
11
3
1
2
1
2
3
8
9
FIT
1:1
100%

Артикул

Название

Примечание

Количество

|$0

6754-71-5511

Connector Assembly

SN: 26567242-UP

6шт.

|$1

6754-71-5510

Connector Assembly

SN: 26541137-26567241

6шт.

1

Connector

SN: 26541137-UP

1шт.

2

6754-71-5530

O-ring

SN: 26541137-UP

1шт.

3

6754-71-5541

Retainer

SN: 26567242-UP

6шт.

3

6754-71-5540

Retainer

SN: 26541137-26567241

6шт.

3

6754-71-1210

Rail Assembly, common

SN: 26541137-UP

1шт.

4

Common Rail

SN: 26541137-UP

1шт.

5

6754-72-1220

Valve

SN: 26541137-UP

1шт.

6

6754-72-1211

Sensor, Pressure

SN: 26567242-UP

1шт.

6

6754-72-1210

Sensor, Pressure

SN: 26541137-26567241

1шт.

7

6733-11-4150

Bolt

SN: 26541137-UP

4шт.

8

6754-71-5210

Tube, No.1

SN: 26541137-UP

1шт.

9

6754-71-5220

Tube, No.2,3

SN: 26541137-UP

2шт.

10

6754-71-5230

Tube, No.4,5

SN: 26541137-UP

2шт.

11

6754-71-5240

Tube, No.6

SN: 26541137-UP

1шт.

12

6754-71-1991

Decal

SN: 26541137-26594631

1шт.

Выбрано товаров: 17