Запчасти Komatsu 4D105-3G БЛОК ЦИЛИНДРОВ БЛОК ЦИЛИНДРОВ

Схема запчастей Komatsu 4D105-3G - БЛОК ЦИЛИНДРОВ БЛОК ЦИЛИНДРОВ
FIT
1:1
100%

Артикул

Название

Примечание

Количество

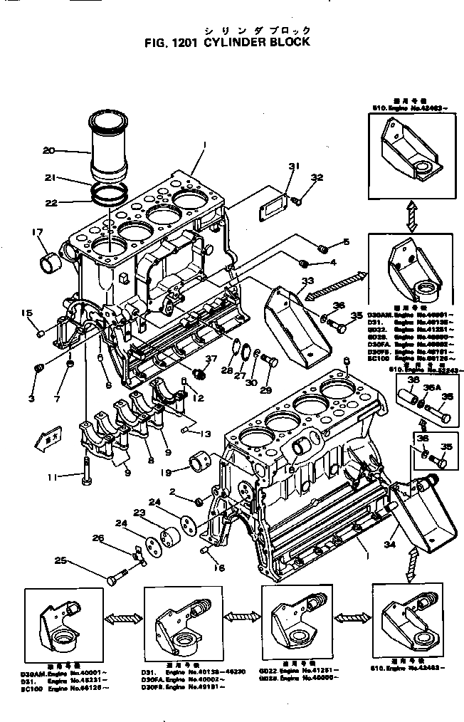
|1

6130-22-1200

CYLINDER BLOCK ASS'Y

SN: 40000-UP

1шт.

1

0

BLOCK,CYLINDER

SN: 40000-UP

1шт.

2

6130-11-1420

PLUG

SN: 40000-UP

1шт.

3

07043-50415

PLUG

SN: .-UP

1шт.

|3

0

PLUG

SN: 40000-.

1шт.

4

6100-21-1130

PLUG

SN: 40000-UP

4шт.

5

6110-23-1170

PLUG

SN: 40000-UP

3шт.

6

6130-22-1920

PIN

SN: 40000-UP

4шт.

7

07046-21410

PLUG

SN: 40000-UP

2шт.

8

0

CAP,MAIN METAL

SN: 40000-UP

1шт.

9

0

CAP,MAIN METAL

SN: 40000-UP

3шт.

10

0

CAP,MAIN METAL

SN: 40000-UP

1шт.

11

6130-22-1710

BOLT

SN: 40000-UP

10шт.

12

04020-00514

PIN,DOWEL

SN: 40000-UP

2шт.

13

6130-21-1262

PIN,DOWEL

SN: 44283-UP

2шт.

|13

0

PIN,DOWEL

SN: 40000-44282

2шт.

14

6130-22-1910

PIN,GROOVE

SN: 40000-UP

2шт.

15

04020-01024

PIN,DOWEL

SN: 40000-UP

2шт.

16

04020-01434

PIN,DOWEL

SN: 40000-UP

2шт.

17

6130-21-1410

BUSHING,CAMSHAFT

SN: 40000-UP

1шт.

18

6130-21-1420

BUSHING,CAMSHAFT

SN: 40000-UP

1шт.

19

6130-21-1430

BUSHING,CAMSHAFT

SN: 40000-UP

1шт.

20

6130-22-2310

LINER,CYLINDER

SN: 40000-UP

4шт.

21

6130-21-2220

O-RING (K2)

SN: 40000-UP

4шт.

22

6130-21-2230

O-RING (K2)

SN: 40000-UP

4шт.

23

6130-21-2410

SHAFT,IDLE

SN: 40000-UP

1шт.

24

6130-21-2420

PLATE,THRUST

SN: 40000-UP

2шт.

25

01010-61265

BOLT

SN: 40000-UP

3шт.

26

6130-21-2430

PLATE,LOCK (K2)

SN: 40000-UP

1шт.

27

6130-21-6220

PLATE

SN: 40000-UP

1шт.

28

6130-21-6231

GASKET (K2)

SN: 40000-UP

1шт.

29

01010-30822

BOLT

SN: 40000-UP

2шт.

30

01602-00825

WASHER,SPRING

SN: 40000-UP

2шт.

31

09605-01130

PLATE¤ NAME,(LIMITED SUPPLY)

SN: 40000-UP

1шт.

32

04418-02550

SCREW

SN: 40000-UP

4шт.

33

6130-22-3712

BRACKET,FRONT¤ L.H.

SN: 40000-UP

1шт.

34

6130-22-3722

BRACKET,FRONT¤ R.H.

SN: 40000-UP

1шт.

35

01010-31230

BOLT

SN: 40000-UP

7шт.

36

01602-01236

WASHER,SPRING

SN: 40000-UP

7шт.

|1

6130-22-1200

CYLINDER BLOCK ASS'Y

SN: 40000-UP

1шт.

1

0

BLOCK,CYLINDER

SN: 40000-UP

1шт.

2

6130-11-1420

PLUG

SN: 40000-UP

1шт.

3

07043-50415

PLUG

SN: .-UP

1шт.

|3

0

PLUG

SN: 40000-.

1шт.

4

6100-21-1130

PLUG

SN: 40000-UP

4шт.

5

6110-23-1170

PLUG

SN: 40000-UP

3шт.

6

6130-22-1920

PIN

SN: 40000-UP

4шт.

7

07046-21410

PLUG

SN: 40000-UP

2шт.

8

0

CAP,MAIN METAL

SN: 40000-UP

1шт.

9

0

CAP,MAIN METAL

SN: 40000-UP

3шт.

10

0

CAP,MAIN METAL

SN: 40000-UP

1шт.

11

6130-22-1710

BOLT

SN: 40000-UP

10шт.

12

04020-00514

PIN,DOWEL

SN: 40000-UP

2шт.

13

6130-21-1262

PIN,DOWEL

SN: 44283-UP

2шт.

|13

0

PIN,DOWEL

SN: 40000-44282

2шт.

14

6130-22-1910

PIN,GROOVE

SN: 40000-UP

2шт.

15

04020-01024

PIN,DOWEL

SN: 40000-UP

2шт.

16

04020-01434

PIN,DOWEL

SN: 40000-UP

2шт.

17

6130-21-1410

BUSHING,CAMSHAFT

SN: 40000-UP

1шт.

18

6130-21-1420

BUSHING,CAMSHAFT

SN: 40000-UP

1шт.

19

6130-21-1430

BUSHING,CAMSHAFT

SN: 40000-UP

1шт.

20

6130-22-2310

LINER,CYLINDER

SN: 40000-UP

4шт.

21

6130-21-2220

O-RING (K2)

SN: 40000-UP

4шт.

22

6130-21-2230

O-RING (K2)

SN: 40000-UP

4шт.

23

6130-21-2410

SHAFT,IDLE

SN: 40000-UP

1шт.

24

6130-21-2420

PLATE,THRUST

SN: 40000-UP

2шт.

25

01010-61265

BOLT

SN: 40000-UP

3шт.

26

6130-21-2430

PLATE,LOCK (K2)

SN: 40000-UP

1шт.

27

6130-21-6220

PLATE

SN: 40000-UP

1шт.

28

6130-21-6231

GASKET (K2)

SN: 40000-UP

1шт.

29

01010-30822

BOLT

SN: 40000-UP

2шт.

30

01602-00825

WASHER,SPRING

SN: 40000-UP

2шт.

31

09605-01130

PLATE¤ NAME,(LIMITED SUPPLY)

SN: 40000-UP

1шт.

32

04418-02550

SCREW

SN: 40000-UP

4шт.

33

6130-22-3712

BRACKET,FRONT¤ L.H.

SN: 40000-UP

1шт.

34

6130-22-3722

BRACKET,FRONT¤ R.H.

SN: 40000-UP

1шт.

35

01010-31230

BOLT

SN: 40000-UP

7шт.

36

01602-01236

WASHER,SPRING

SN: 40000-UP

7шт.

Выбрано товаров: 78