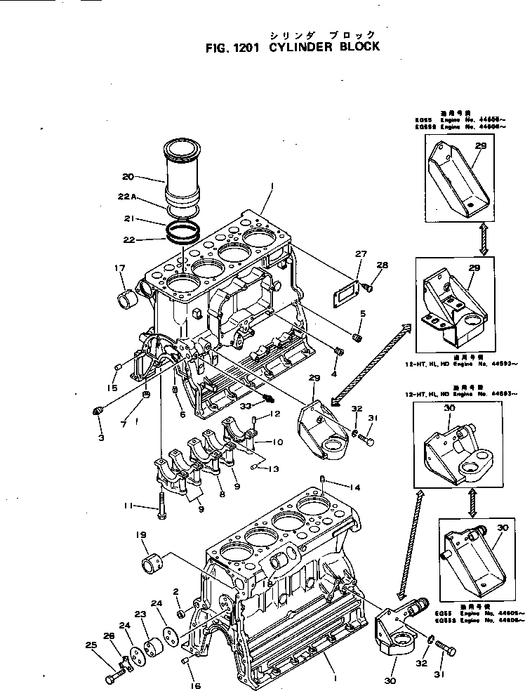
6130-21-1420 Втулка распредвала, 4D105/6D105
Заказать расчет, стоимость и сроки поставки 6130-21-1420
Применимость запчасти
Всего используется в 45 узлов, посмотреть полную применимостьПрименяется в спецтехнике
- Komatsu
- Двигатели
Варианты написания артикула
- 6130211420
- 6130-21-1420
Категории товара
Похожие запчасти
- 6130-31-3041 Вкладыш шатунный 6130-31-3041 (KMP
- 6130-31-3041 Вкладыш шатунный 6130-31-3041 (KMP
- 6130-21-8500 Вкладыш упорный 6130-21-8500 (KMP
- 6130-21-8500 Вкладыш упорный 6130-21-8500 (KMP
- 9l-6130 Ремень 9L2850(3) (2P8720 x 2
- 3679932 Прокладка распределительного вала
- 4995863 Втулка распредвала Cummins ISF2.8 4995863
- 600-815-2170 Реле
- 4921684- Датчик положения коленвала Cummins 6ISBe 2872277 4921684 4307346 3408529
- 6130-12-8610 Крышка маслозаливной горловины
- 8973861890 Вкладыш распредвала узкий b=16мм (1шт), 8973569390, шт
- 808-00253 Втулка 33х30х25 мм (аналог) 808/00253 ARIES (Индия
- 4443885 Втулка боковая ZX330, ZX330-3
- c-3325 C-3325_GLOBELT_Ремень приводной гладкий 22x14x3325, 197412C1
- 4890189 Датчик положения коленвала Cummins 6ISBe,ISDe 4890189 4330303 0281002410
- 4938765 Сальник насоса масляного дв.Cummins ISF 3.8 4938765
- 125390 Втулка ступицы Terex / CAT / OEM 125390-OEM
- 6136-42-4520 Сухарь клапана 6136-42-4520 (KMP) Komatsu 4D105-5H/5T , S4D105-5A/B , 6D105-1 , S6D105
- 3940059 Втулка распредвала 59мм Cummins 6BTA 5.9 ISBe 3940059 4983253 5298256
- 1315-0811z Болт JCB 1315/0811Z