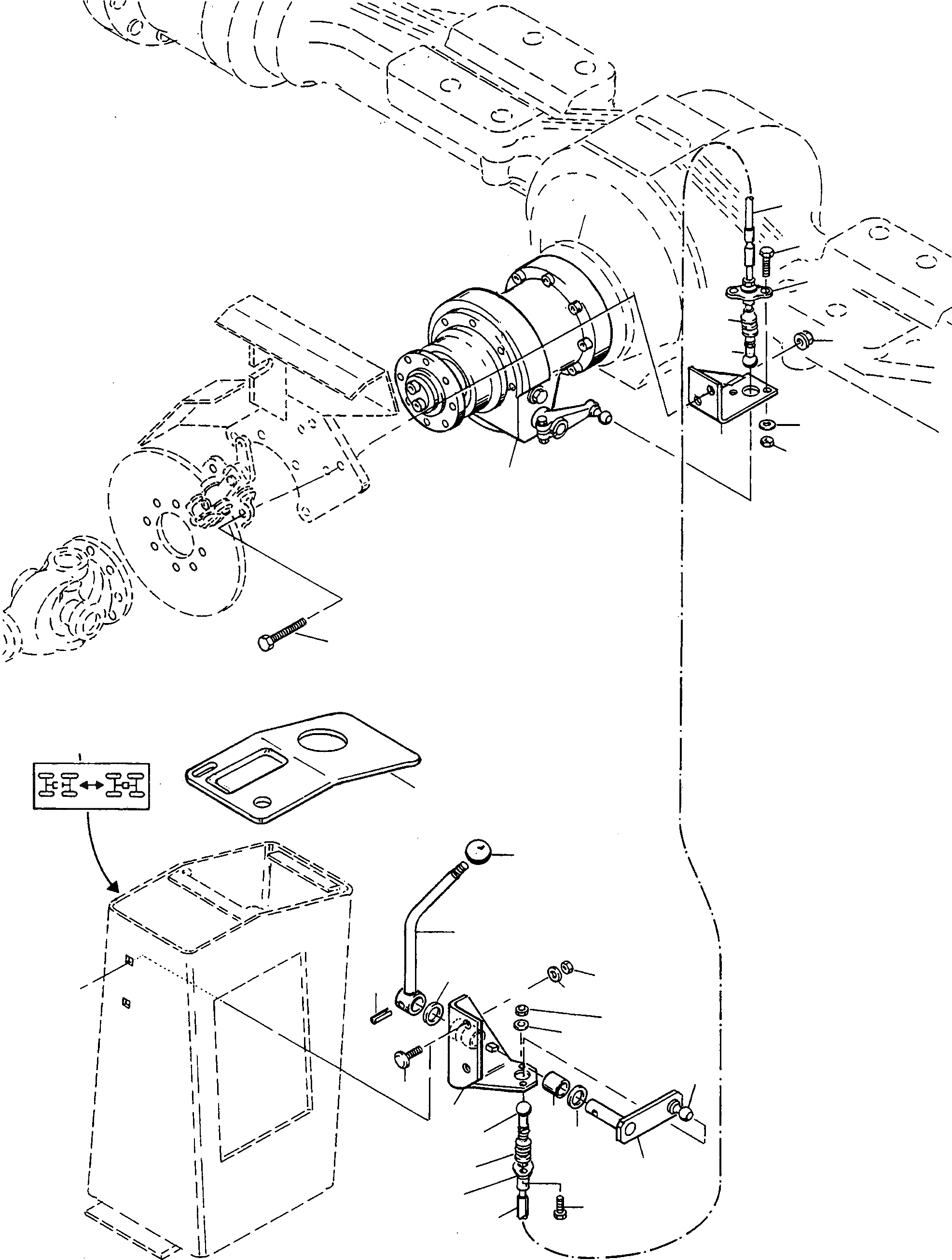
Запчасти Komatsu 60E МОСТ CUT OFF ТРАНСМИССИЯ И ЗАДН. МОСТ

Схема запчастей Komatsu 60E - МОСТ CUT OFF ТРАНСМИССИЯ И ЗАДН. МОСТ
10A
10B
10C
4
8A
10C
10B
10A
10
11
16
12
14
13
17
15
18
19
5
7
3
6
2
13
12
3
1
9
7
8
11
10
FIT
1:1
100%

Артикул

Название

Примечание

Количество

1

4210508M91

CONSOLE

DeutschDesc: KONSOLE

1шт.

2

391039X1

PLAIN WASHER

DeutschDesc: UNTERLEGSCHEIBE

2шт.

3

1443726X1

SCREW

DeutschDesc: SCHRAUBE

2шт.

4

4210512M91

LEVER

DeutschDesc: HEBEL

1шт.

5

1441784X1

BALL HEAD

DeutschDesc: KUGELKNOPF

1шт.

6

339080X1

ADAPTER SLEEVES

DeutschDesc: SPANNHUELSE

1шт.

7

3000355X1

SHIM

DeutschDesc: PASSSCHEIBE

2шт.

8

4210514M91

LEVER

DeutschDesc: HEBEL

1шт.

8A

1444498X1

BALL PIVOT

DeutschDesc: KUGELZAPFEN

1шт.

9

4225442M1

BUSHING

DeutschDesc: BUCHSE

1шт.

10

4210515M91

BOWDEN CABLE

DeutschDesc: BOWDENZUG

1шт.

10A

3230243M1

FLANGE

DeutschDesc: FLANSCH

2шт.

10B

3230245M1

BELLOWS

DeutschDesc: FALTENBALG

2шт.

10C

2977281M1

BALL SOCKET

DeutschDesc: KUGELPFANNE

2шт.

11

339666X1

SCREW

DeutschDesc: SCHRAUBE

4шт.

12

390971X1

PLAIN WASHER

DeutschDesc: UNTERLEGSCHEIBE

4шт.

13

2995323X1

NUT

DeutschDesc: MUTTER

4шт.

14

4210475M91

BRACKET

DeutschDesc: HALTER

1шт.

15

1444888X1

SCREW

DeutschDesc: SCHRAUBE

2шт.

16

1444318X1

NUT

DeutschDesc: MUTTER

2шт.

17

4400371M91

COUPLING/CLUTCH

DeutschDesc: KUPPLUNG

1шт.

|$24

COUPLING/CLUTCH

DeutschDesc: KUPPLUNG

-3шт.

18

4211310M1

NOTE PLATE

DeutschDesc: HINWEISSCHILD

1шт.

19

4211165M1

COVER PLATE

DeutschDesc: ABDECKPLATTE

1шт.

Выбрано товаров: 24