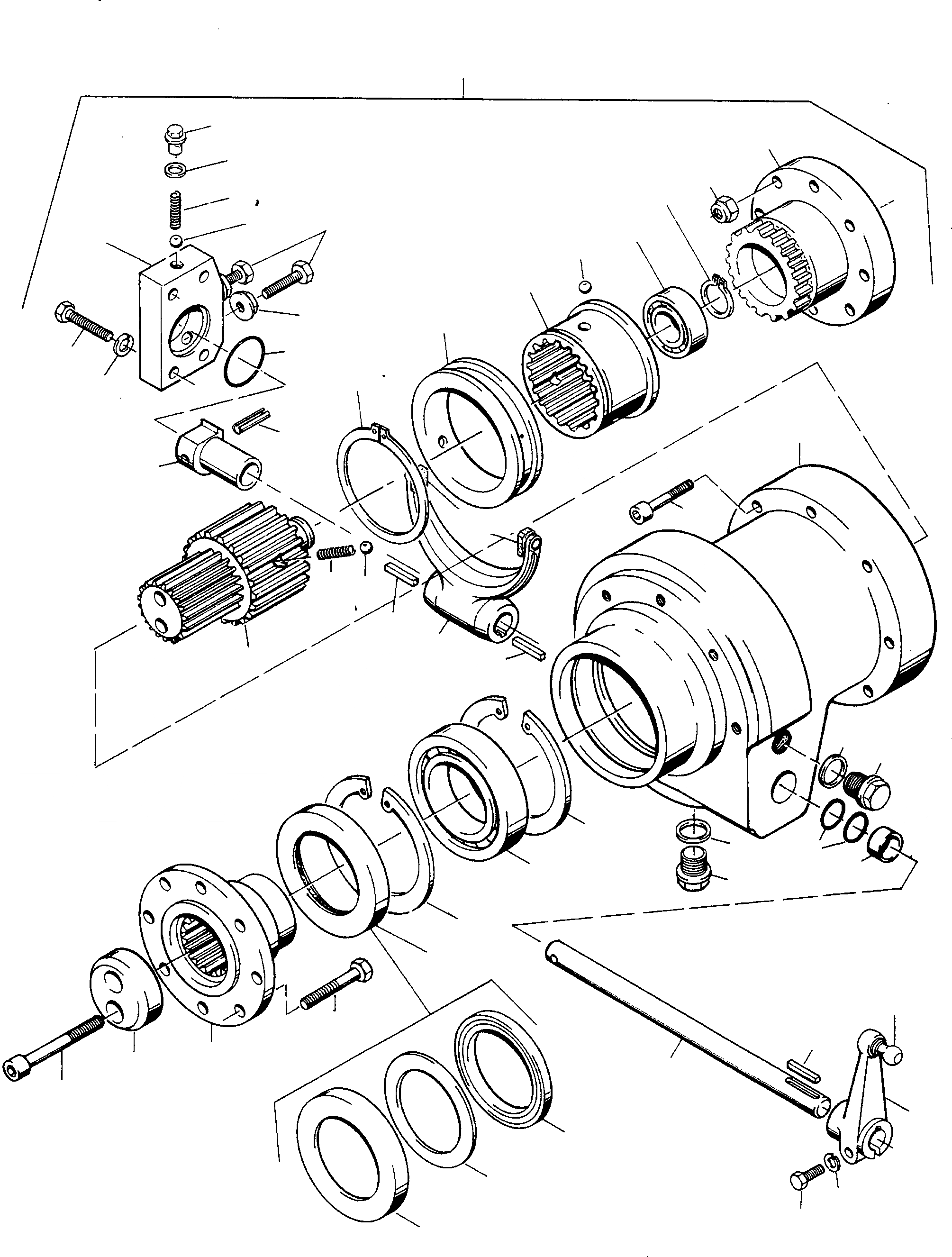
Запчасти Komatsu 60E МОСТ CUT OFF МОСТ CUT OFF

Схема запчастей Komatsu 60E - МОСТ CUT OFF МОСТ CUT OFF
1
28
21A
21A
20A
15
34
27
33A
37A
5A
16
5B
5C
1A
21
10
14
32
9
26
14
13
31
12
23
30
11
29
17
25
24
18
14
33
8
34
20
19
6
20
35
36
7
19
6
5
4
34
3
2
22
37
38
39
FIT
1:1
100%

Артикул

Название

Примечание

Количество

1

4400371M91

COUPLING/CLUTCH

1шт.

1A

3004693X1

SCREW

2шт.

2

4401204M1

DISC

1шт.

3

4400375M1

OUTPUT FLANGE

1шт.

4

3007475X1

SCREW

8шт.

5

4400381M91

SEAL

1шт.

5A

RING

1шт.

5B

4400383M1

DISC

1шт.

5C

2995586M1

SHAFT SEAL

1шт.

6

2995766X1

CIRCLIP

2шт.

7

2995676X1

BALL BEARING

1шт.

8

4400373M1

SHAFT

1шт.

9

1440494X1

BALL BEARING

1шт.

10

1440477X1

CIRCLIP

1шт.

11

390635X1

CIRCLIP

1шт.

12

4400376M1

THIMBLE

1шт.

13

4400377M1

THIMBLE

1шт.

14

1442085X1

BALL

7шт.

15

4400374M1

FLANGE

1шт.

16

2995594X1

NUT

8шт.

17

4400372M1

HOUSING

1шт.

18

3002891X1

SCREW

8шт.

19

1444268X1

PLUG

2шт.

20

390855X1

SEAL

2шт.

20A

2889669M1

SPRING

2шт.

21

2889666M1

COMPRESSION SPRING

1шт.

21A

2889666M1

COMPRESSION SPRING

4шт.

22

4400422M1

SHAFT

1шт.

23

3004885X1

O-RING

1шт.

24

4400421M1

BUSHING

1шт.

25

1440999X1

PEG

1шт.

26

4400420M1

PLATE

1шт.

27

1440993X1

SEAL

1шт.

28

1444266X1

PLUG

1шт.

29

391241X1

SPRING WASHER

4шт.

30

339018X1

SCREW

4шт.

31

2999784M1

NUT

2шт.

32

3004420X1

SCREW

2шт.

33

4400380M91

SHIFTER FORK

1шт.

33A

2904185M1

SLIDE

2шт.

34

391215X1

KEY PARALLEL

3шт.

35

3004930X1

O-RING

2шт.

36

4400423M1

BUSHING

1шт.

37

2889775M91

LEVER

1шт.

37A

1444499X1

BALL PIVOT

1шт.

38

1443789X1

SPRING WASHER

1шт.

39

339337X1

SCREW

1шт.

Выбрано товаров: 47