Запчасти Komatsu 77C CONVERTER МАСЛ. ОХЛАЖД-Е, HANOMAG- ДВИГАТЕЛЬ ДВИГАТЕЛЬ, АКСЕССУАРЫ И ЭЛЕКТРИЧ. СИСТЕМА

Схема запчастей Komatsu 77C - CONVERTER МАСЛ. ОХЛАЖД-Е, HANOMAG- ДВИГАТЕЛЬ ДВИГАТЕЛЬ, АКСЕССУАРЫ И ЭЛЕКТРИЧ. СИСТЕМА
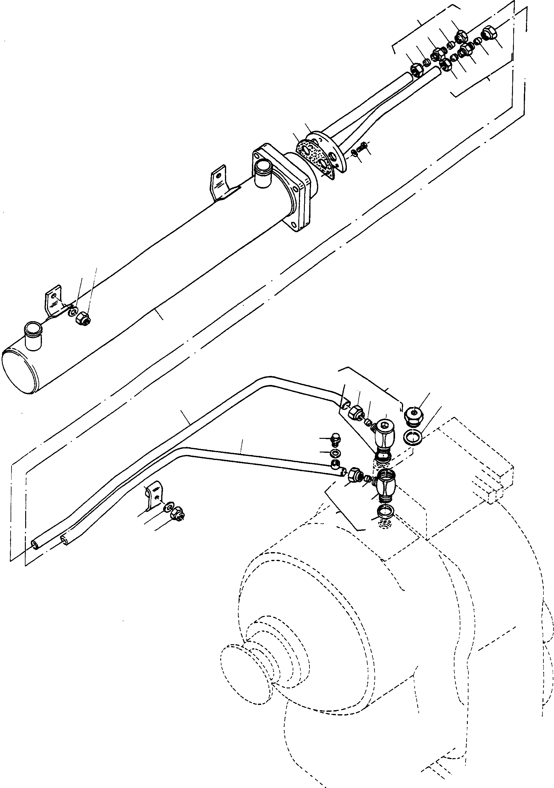
5
13
10
14
9
20
9
20A
23
22
9
10
8
4
20A
7
6
10
8
8A
8A
9
9
10
3
2
1
20
18
21
19
11
12
16
17
22
21
23
15
FIT
1:1
100%

Артикул

Название

Примечание

Количество

1

2949051M91

EXCHANGER

DeutschDesc: WAERMETAUSCHER

1шт.

|$26

EXCHANGER

DeutschDesc: WAERMETAUSCHER

-3шт.

2

390734X1

PLAIN WASHER

DeutschDesc: UNTERLEGSCHEIBE

4шт.

3

1444331X1

NUT

DeutschDesc: MUTTER

4шт.

4

2949052M92

FLANGE

DeutschDesc: FLANSCH

1шт.

5

2898067M1

GASKET

DeutschDesc: DICHTUNG

1шт.

6

339761X1

SCREW

DeutschDesc: SCHRAUBE

3шт.

7

1443789X1

SPRING WASHER

DeutschDesc: FEDERRING

3шт.

8

3004103X91

UNION

DeutschDesc: VERSCHRAUBUNG

2шт.

8A

STUD

EnglischBem: ORDER 3004 103 X91

2шт.

9

1443842X1

OLIVE

DeutschDesc: SCHNEIDRING

4шт.

10

1443838X1

BOXNUT

DeutschDesc: UEBERWURFMUTTER

4шт.

11

2949028M2

TUBE

DeutschDesc: ROHR

1шт.

12

2949056M92

TUBE

DeutschDesc: ROHR

1шт.

13

2903757M91

HOLDING CLAMP

DeutschDesc: HALTESCHELLE

1шт.

14

390734X1

PLAIN WASHER

DeutschDesc: UNTERLEGSCHEIBE

1шт.

15

1444331X1

NUT

DeutschDesc: MUTTER

1шт.

16

390820X1

PLUG

DeutschDesc: VERSCHLUSSSTOPFEN

1шт.

17

390839X1

SEAL

DeutschDesc: DICHTRING

1шт.

18

2949046M1

PLUG

DeutschDesc: VERSCHLUSSSTOPFEN

1шт.

19

1444752X1

SEAL

DeutschDesc: DICHTRING

1шт.

20

3002468X91

UNION

DeutschDesc: VERSCHRAUBUNG

2шт.

20A

UNION

EnglischBem: ORDER 3002 468 X91

2шт.

21

1443842X1

OLIVE

DeutschDesc: SCHNEIDRING

2шт.

22

1443838X1

BOXNUT

DeutschDesc: UEBERWURFMUTTER

2шт.

23

1444874X1

SEAL

DeutschDesc: DICHTRING

2шт.

Выбрано товаров: 26