Запчасти Komatsu 77C CONVERTER МАСЛ. ОХЛАЖД-Е, HANOMAG- ДВИГАТЕЛЬ CONVERTER МАСЛ. ОХЛАЖД-Е, HANOMAG- ДВИГАТЕЛЬ

Схема запчастей Komatsu 77C - CONVERTER МАСЛ. ОХЛАЖД-Е, HANOMAG- ДВИГАТЕЛЬ CONVERTER МАСЛ. ОХЛАЖД-Е, HANOMAG- ДВИГАТЕЛЬ
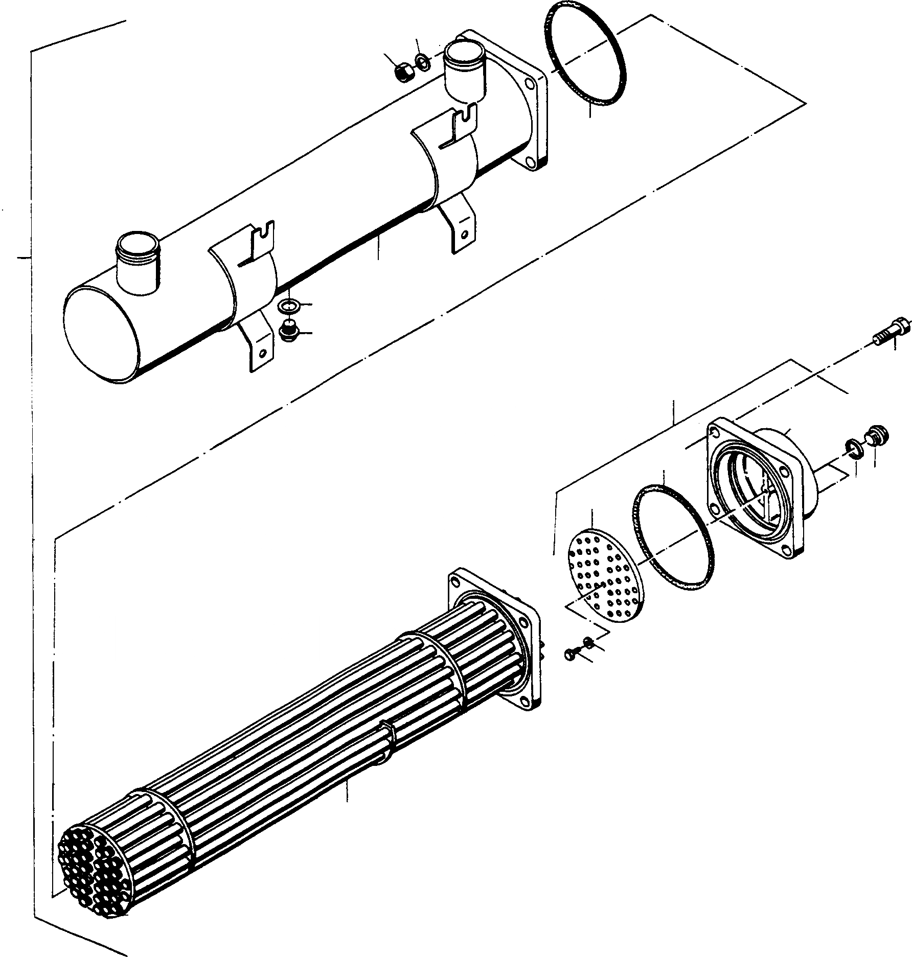
16
5
17
6
1
2
4
3
15
7
8
12
9
10
11
14
13
FIT
1:1
100%

Артикул

Название

Примечание

Количество

1

2949051M91

EXCHANGER

1шт.

2

EXCHANGER

1шт.

3

390247X1

PLUG

1шт.

4

1442936X1

SEAL

1шт.

5

2961887M91

PIPE PACK

1шт.

6

3007110X1

O-RING

1шт.

7

2961886M91

COVER

1шт.

8

2962020M1

COVER

1шт.

9

390247X1

PLUG

2шт.

10

1442936X1

SEAL

2шт.

11

2962021M1

BOTTOM

1шт.

12

3007110X1

O-RING

1шт.

13

1444862X1

SCREW

1шт.

14

1443791X1

SPRING WASHER

1шт.

15

3003867X1

SCREW

4шт.

16

1443794X1

SPRING WASHER

4шт.

17

339079X1

NUT

4шт.

Выбрано товаров: 17