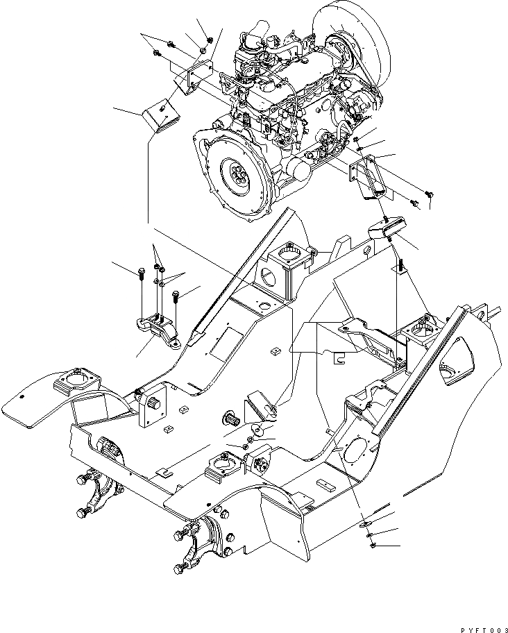
Запчасти Komatsu FG20 КРЕПЛЕНИЕ ДВИГАТЕЛЯ КОМПОНЕНТЫ ДВИГАТЕЛЯ

Схема запчастей Komatsu FG20 - КРЕПЛЕНИЕ ДВИГАТЕЛЯ КОМПОНЕНТЫ ДВИГАТЕЛЯ
1
2
3
3
4
4
4
4
4
5
5
6
6
7
8
8
9
9
9
9
9
FIT
1:1
100%

Артикул

Название

Примечание

Количество

1

3EB-01-51111

BRACKET,L.H.

SN: 725239-UP

1шт.

|$2

0

BRACKET,L.H.

SN: 700001-725238

1шт.

2

3EB-01-51122

BRACKET,R.H.

SN: 725239-UP

1шт.

|$4

0

BRACKET,R.H.

SN: 700001-725238

1шт.

3

01024-81025

BOLT

SN: 700001-UP

6шт.

4

3EB-01-51380

U-NUT

SN: 709754-UP

6шт.

|$7

0

U-NUT

SN: 700001-709753

6шт.

5

3EB-01-51190

WASHER

SN: 700001-UP

2шт.

6

3EB-01-51131

MOUNT

SN: 725239-UP

2шт.

|$10

0

MOUNT

SN: 700001-725238

2шт.

7

3EB-02-52130

MOUNT

SN: 700001-UP

1шт.

8

3EA-71-12790

BOLT

SN: 700001-UP

2шт.

9

01643-31232

WASHER

SN: 700001-UP

6шт.

Выбрано товаров: 13