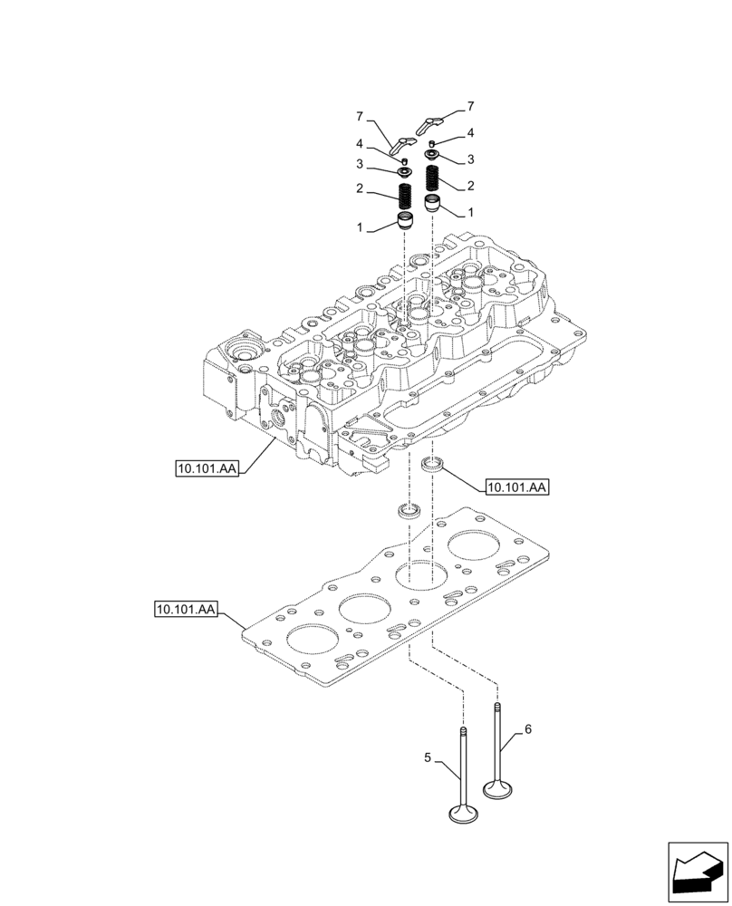
Запчасти Case IH F4DFE4132 B005 (10.101.AM) - VALVES (10) - ENGINE

Схема запчастей Case IH F4DFE4132 B005 - (10.101.AM) - VALVES (10) - ENGINE
7
3
4
3
6
1
2
5
4
10.101.aa
10.101.aa
1
2
10.101.aa
7
FIT
1:1
100%

Артикул

Название

Примечание

Количество

1

2831287

SEAL,12.6mm ID x 28.5mm OD x 0.6mm Thk

16шт.

2

2831473

VALVE SPRING,Compression, 18.8mmOD x 45.2mm L

16шт.

3

4895074

CUP,18mm ID

16шт.

4

4899081

ROCKER ARM COTTER

32шт.

5

4895051

STD EXHAUST VALVE

8шт.

6

4895052

STD INLET VALVE

8шт.

7

47426332

BAR

8шт.

Выбрано товаров: 7