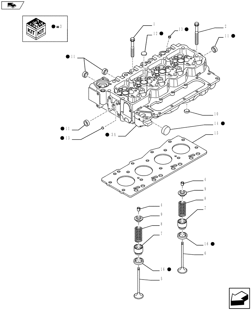
Запчасти Case IH F4DFE413D A002 (10.101.01) - CYLINDER HEAD (2855482) (10) - ENGINE

Схема запчастей Case IH F4DFE413D A002 - (10.101.01) - CYLINDER HEAD (2855482) (10) - ENGINE
2
11
3
13
9
4
14
9
5
10
3
3
16
13
3
3
3a
8
3
3
3
11
7
8
6
3
7
3
home
12
3
3
1
4
15
11
16
FIT
1:1
100%

Артикул

Название

Примечание

Количество

1

4891024

BOLT,Flng, M12 x 1.75 x 130mm

8шт.

2

4891025

SCREW,Flng, M12 x 1.75 x 150mm

10шт.

3

2831266

CYLINDER HEAD,4 Cylinders

Assy, Contains Ref. 3A, 11 - 14, 16

1шт.

3a

NSS

NOT SOLD SEPARAT

1шт.

4

4899081

ROCKER ARM COTTER

32шт.

5

4895051

STD EXHAUST VALVE

STD ENGINE EXHAUST VALVE

8шт.

6

4895052

STD INLET VALVE

STD ENGINE INLET VALVE

8шт.

7

2831287

SEAL,12.6mm ID x 28.5mm OD x 0.6mm Thk

16шт.

8

4895073

VALVE SPRING

16шт.

9

4895074

CUP,18mm ID

16шт.

10

4893036

PIPE PLUG,3/4"-14 NPTF

1шт.

11

4895085

EXPANSION PLUG,25.74mm

9шт.

12

4895089

PLUG,0.886" L

7шт.

13

4895406

EXPANSION PLUG,9.8mm OD

5шт.

14

4895407

EXPANSION PLUG,38.28mm OD

1шт.

15

2830706

CYLINDER HEAD GASKET,1.25mm Thk

1шт.

15

2830707

CYLINDER HEAD GASKET,1.15mm Thk

1шт.

16

4893244

VALVE SEAT,28.42mm ID x 34.9mm OD x 5.75mm L

16шт.

Выбрано товаров: 0