Запчасти Case F4HFE613T B002 (10.101.AA) - CYLINDER HEAD (10) - ENGINE

Схема запчастей Case F4HFE613T B002 - (10.101.AA) - CYLINDER HEAD (10) - ENGINE
10
11
3
7
11
12
1
12
15
13
5
9
8
3
14
10
3
13
2
6
9
4
4
FIT
1:1
100%

Артикул

Название

Примечание

Количество

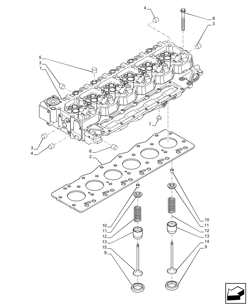
1

2831279

CYLINDER HEAD,6 Cylinders

1шт.

1

2831274

CYLINDER HEAD,6 Cylinders

1шт.

2

47536495

CYLINDER HEAD GASKET,1.25mm Thk

1шт.

2

47536485

CYLINDER HEAD GASKET,1.15mm Thk

1шт.

3

4895085

EXPANSION PLUG,25.74mm

13шт.

4

4895406

EXPANSION PLUG,9.8mm OD

7шт.

5

4895089

PLUG,0.886" L

11шт.

6

4895407

EXPANSION PLUG,38.28mm OD

2шт.

7

4893036

PIPE PLUG,3/4"-14 NPTF

1шт.

8

4891025

SCREW,Flng, M12 x 1.75 x 150mm

14шт.

9

4897578

VALVE SEAT,28mm ID x 34.9mm OD x 5.75mm L

12шт.

9

4897106

VALVE SEAT,28mm ID x 34.9mm OD x 5.75mm L

12шт.

9

4893244

VALVE SEAT,28.42mm ID x 34.9mm OD x 5.75mm L

24шт.

10

4899081

ROCKER ARM COTTER

48шт.

11

4895074

CUP,18mm ID

24шт.

12

2831473

VALVE SPRING,Compression, 18.8mmOD x 45.2mm L

24шт.

13

2831287

SEAL,12.6mm ID x 28.5mm OD x 0.6mm Thk

24шт.

14

4895052

STD INLET VALVE

12шт.

15

4895051

STD EXHAUST VALVE

12шт.

Выбрано товаров: 19