Качественные детали и логистика
Оригинальные и аналоговые запчасти с доставкой по России, Казахстану и Беларуси
©2022 PartSell ООО "Система" ИНН 2463123282 ОГРН 1212400004838
Центральный офис: г. Красноярск, Академика Киренского, д.87, пом.4
Телефон: 8 (800) 777-65-74 Email: zakaz@partsell.ru
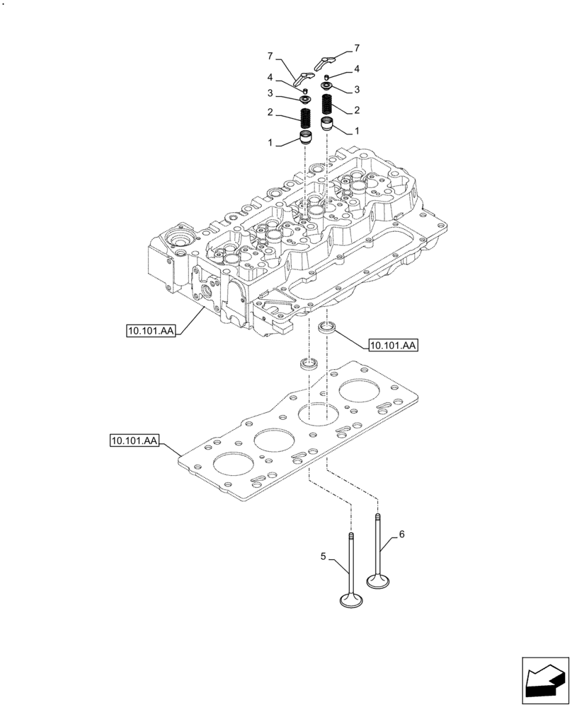
(10.101.AM) - CYLINDER HEAD, VALVE
№
Артикул
Название
Примечание
Количество
1
2831287
SEAL,12.6mm ID x 28.5mm OD x 0.6mm Thk
16шт.
2
2831473
VALVE SPRING,Compression, 18.8mmOD x 45.2mm L
3
4895074
CUP,18mm ID
4
4899081
ROCKER ARM COTTER
32шт.
5
4895051
STD EXHAUST VALVE
8шт.
6
4895052
STD INLET VALVE
7
47426332
BAR
Выбрано товаров: 0