Запчасти Case 580SN (10.101.01) - CYLINDER HEAD (580SN, 580SN WT, 590SN) (10) - ENGINE

Схема запчастей Case 580SN - (10.101.01) - CYLINDER HEAD (580SN, 580SN WT, 590SN) (10) - ENGINE
14
3
1
8
4
11
16
10.406.10
8
16
17
17
6
7
9
13
15
9
10
11
11
4
2
5
13
12
7
FIT
1:1
100%

Артикул

Название

Примечание

Количество

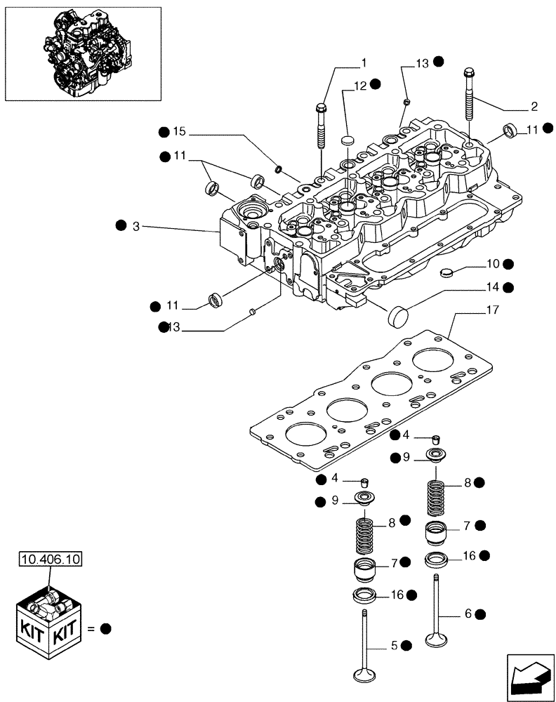
1

87536218

CYLINDER HEAD,4 Cylinders

Kit, Includes 3 - 16

1шт.

1

87536218R

REMAN-CYLINDER HEAD

Completely Assembled With Valves

1шт.

1

87536218C

CORE-CYLINDER HEAD

Return Number

1шт.

1

4891024

BOLT,Flng, M12 x 1.75 x 130mm

Hex Flange Hd Cap, M12 x 130

8шт.

2

4891025

SCREW,Flng, M12 x 1.75 x 150mm

Hex Flange Hd Cap, M12 x 150

10шт.

3

2831266

CYLINDER HEAD,4 Cylinders

Incl. 11 - 16

1шт.

3

47507108R

REMAN-CYLINDER HEAD

Completely Assembled With Valves

1шт.

3

47507108C

CORE-HYD CYLINDER

Return Number

1шт.

4

4899081

ROCKER ARM COTTER

32шт.

5

4895051

STD EXHAUST VALVE

STD ENGINE EXHAUST VALVE

8шт.

6

4895052

STD INLET VALVE

STD ENGINE INLET VALVE

8шт.

7

2831287

SEAL,12.6mm ID x 28.5mm OD x 0.6mm Thk

16шт.

8

2831473

VALVE SPRING,Compression, 18.8mmOD x 45.2mm L

16шт.

9

4895074

CUP,18mm ID

16шт.

10

4893036

PIPE PLUG,3/4"-14 NPTF

3шт.

11

4895085

EXPANSION PLUG,25.74mm

OD

9шт.

12

4895089

PLUG,0.886" L

.886" OD

7шт.

13

4895406

EXPANSION PLUG,9.8mm OD

5шт.

14

4895407

EXPANSION PLUG,38.28mm OD

38.28mm OD

1шт.

15

4895408

PLUG,0.511" L

.511" OD

2шт.

16

4893244

VALVE SEAT,28.42mm ID x 34.9mm OD x 5.75mm L

16шт.

17

2830706

CYLINDER HEAD GASKET,1.25mm Thk

SP=1.25

1шт.

17

2830707

CYLINDER HEAD GASKET,1.15mm Thk

SP=1.15

1шт.

Выбрано товаров: 23